[返回列表.]    [免费下载畅易手机版APP ]

用户 13581632 **当前提问:清楚的空调电路图。资料上太模糊。

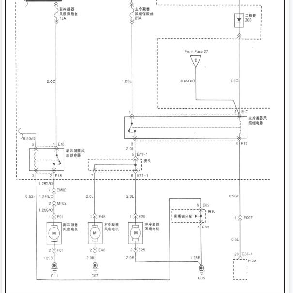
清楚的空调电路图。资料上太模糊。

手动空调的

.尊敬的用户,欢迎你使用在线客服,你的问题客服人员已为你处理完毕,请下载附件,如有疑问,欢迎和我们联系!2011-2015 江淮瑞风穿梭空调电路图..

附件:47982274116252.rar

已评价:5星好评


用户 13581632 ***其他客服问题:
  C1414故障码含义.. 丰田普拉多2013-2.7[JTEBX3FJ1D** ]
  保险丝位置图和发动机电路图下载的,。.. 丰田 F - 丰田 RAV4-一汽丰田 2.0L 2010 2010款 2.0L 自动 豪华升级版2010-2.0L[ LFMKV30F1** ]
  更换膨胀阀方法.. 奇瑞开瑞 优劲奇瑞汽车单排2018-1.5L[LvmZ1A1A9j** ]
  空调电路图.. 东风 D - 东风风行 菱智-东风风行 2.0L 2013 2013款 2.0L 手动 M5 Q3 7座2013-2.0L[ LGB2AAA35** ]
  更换发动机换气门生成总成需要注意什么.. 阿尔法·罗密欧 Giulia A - 阿尔法·罗密欧 Giulia-阿尔法·罗密欧 2.0T 2017 2017款 2.0T 手2017-2.0T[ZAREAECN4H** ]
  玻璃升降器电路图,下载下来的。.. 奇瑞 Q - 奇瑞 E5-奇瑞汽车 1.8L 2013 2012款 1.8L 无级 运动版2012-1.8L[ LVVDC21B6** ]
以下是江淮相关车型的客服问题,希望对您有帮助
 发动机正时资料.急用..发来请打我手机...江淮瑞风 200X 4GA1
 空调系统的电路图..江淮汽车瑞风M31.8 手动 创客版 豪华型PLUS 2019 LJ4A18Q6(1.8) [LJ166A331K**]
 麻烦帮忙查一下这个车凸轮轴位置传感器的线..江淮汽车帅铃T61.9T 手动 创客版豪华型长轴 2016 D19TCID6(1.9) [LJ11PABD6J**]
 江淮帅铃T6柴油车,尿素泵端子定义,发动机..江淮汽车帅铃T62.0T 手动 四驱商务型长轴 2020 HFC4DB2-2E(2.0) [LJ11PABD1M**]
 07年江淮瑞风油泵线路图..江淮瑞风 2007年 HFC4GA3-B [LJ16AA3357**]
 江淮帅铃T6发动机德尔福电脑板MT62.1针脚定义..江淮帅铃T6 2019.10 HFC4GA3-4D [LJ11PAB5XK**]
 江淮星锐 柴油版 正时安装图..江淮星锐 2014 111 [LJ166A2D0D**]
 启动电路图,是混动的..江淮和悦混动 2014 HFC3GB4.C1 [LJ1HFKSP0C**]
 江淮瑞风S2防盗电脑在那里..江淮江淮瑞风s2 16年01月 HFC4GB2,3D [LJ12EKR28G**]
 江淮 瑞丰 M5 发动机电脑针脚 电脑MT80..江淮M5 2013 2.0T
 无钥匙模块电路图 ..江淮M5 2016 HFC4GA3 [LJ166A342G**]
 发动机的 手册..江淮汽车瑞风M31.5T 手动 宜家高功率版豪华智能型 2021 HFC4GB2-4E(1.5) [LJ166A236M**]

Copyright @ 2009 www.car388.com All rights reserved. 蜀ICP备12014226号-2 增值电信增值业务许可证:川B2-20190647 服务电话:028-87038205 87039205 87020205 川公网安备 51010502010015号 公司地址:成都市龙泉驿区经开区南二路309号 鼎峰动力港 企业办公总部基地 12栋
2025-05-22.-.V28**VHTML-2025-V18-11-5---2-