[返回列表.]    [免费下载畅易手机版APP ]

用户 lxpdqx **当前提问:中控门锁线路图

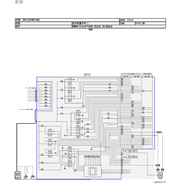
中控门锁线路图

.尊敬的用户,欢迎你使用在线客服,你的问题客服人员已为你处理完毕,请下载附件,如有疑问,欢迎和我们联系!307中控门锁电路图.

附件:7371229759514.rar


用户 lxpdqx ***其他客服问题:
  广汽传祺GS5正时几号图.. 传祺传祺13年-GS5[LMGDG3G57D** ]
  需要玻璃升降以及遥控中控部分的拆装和电路.. 江铃宝典09款柴油-
  时规皮带正时安装图.. 江铃陆风X82012-JE4D20E[LVXCCDKA2C** ]
  起动机线路图.. 上海通用别克英朗2014.10-LDE[LSGPB64U7F** ]
以下是东风标致相关车型的客服问题,希望对您有帮助
 变速箱的线路图及整车通讯线路图..东风标致408 2012/12 PSARFN10LH3X [LDC943X48C**]
 东风标致301 BSI电脑的线路图及车门锁电路..东风标致301 15 NFP [LDC633T24F**]
 15年东风标致求全车线路图一份 谢谢..东风标致2008 15年 00 [LDC671T38F**]
 正时拆装图..东风标致3008 2013 10FJBZ PSA5F06 [LDCT81145D**]
 帮我找一下东风标志307电子节气门电路图..东风标致307 2009 N6A10XA3APSA [LDC933L209**]
 帮忙找一下变速箱电脑电路图管脚定义 主要..东风标致2008 2015 NFP [LDC671T3XF**]
 要18年标致308电路图与维修手册..东风标致308 201801 DC7169LSAB [LDC983T41J**]
 请提供此车发动机电控部分,发动机仓保险盒..标志307 2008 N6A [LDC931L398**]
 这里填写咨询内容2005年2.0发动机资料..东风标致标致307 XXXX PSAREN10LH478303899 [LDC913W225**]
 凸轮轴位置传感器安装位置..东风标致307 2010 N6A 10XA3A PSA [LDC933L32A**]
 东风标致207电路图?s..东风标致207 2008-2011
 发动机启动线路图..东风标致307 2009 N6A10XA3APSA [LDC933L229**]

Copyright @ 2009 www.car388.com All rights reserved. 蜀ICP备12014226号-2 增值电信增值业务许可证:川B2-20190647 服务电话:028-87038205 87039205 87020205 川公网安备 51010502010015号 公司地址:成都市龙泉驿区经开区南二路309号 鼎峰动力港 企业办公总部基地 12栋
2025-05-08.-.V25