[返回列表.]    [免费下载畅易手机版APP ]

用户 xieyong9 **当前提问:发动机电脑电路图,端子定义图

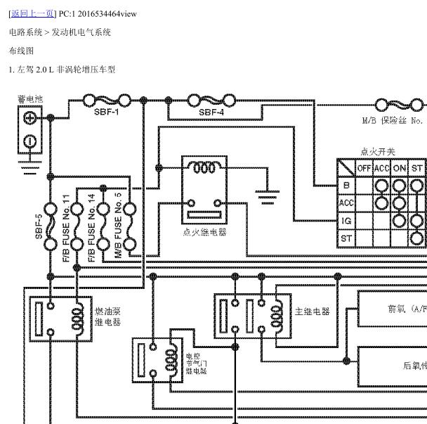
发动机电脑电路图,端子定义图

.尊敬的用户,欢迎你使用在线客服,你的问题客服人员已为你处理完毕,请下载附件,如有疑问,欢迎和我们联系!2008年斯巴鲁森林人发动机电路图2008年斯巴鲁森林人发动机针脚定义..

附件:75032303815001.rar


用户 xieyong9 ***其他客服问题:
test:
  变速箱电脑的针脚定义.. 保时捷汽车Cayenne [卡宴]3.6 手自一体2007-M5501(3.6)[WP1AA29P4A** ]
  雾灯电路图,保险丝盒定义图.. 汇众伊思坦纳2011-m161g23d[LSKF4BC11B** ]
  把我看一下这个车的一键启动线路图.. 吉利远景X618年-JLB-4G13T[LB37712Z1J** ]
  大灯电路图.. 沃尔沃XC902016-B4204T23[YV1LC10D3G** ]
以下是斯巴鲁相关车型的客服问题,希望对您有帮助
 左前门升窗器电路图和端子图和端子定义..斯巴鲁傲虎 2019 FB25 [JF1BS29A2K**]
 2011款傲虎全车电路图 ..斯巴鲁傲虎 2011 2.5
 ABS针脚定义..斯巴鲁森林人 19 FB20
 发动机正时图..斯巴鲁傲虎 2010年6月 EJ25 [JF1BR96D1A**]
 请发一份发动机与自动变速箱的总线线路图..斯巴鲁森林人 2012-03 FB20 [JF1SH52F2C**]
 这个车安全气囊系统的维修手册和电路图..斯巴鲁森林人 2019 EB20 [JF1SK73C6L**]
 10款斯巴鲁傲虎2.5的发动机电脑端子图..斯巴鲁傲虎 2010 EJ25
 斯巴鲁XT安全气囊控制单元及诊断系统电路图..斯巴鲁XT SJ58C1H 2014.08 FB20 [JF1SJ52D1E**]
 清客服给一份15年斯巴鲁傲虎空调面板和仪表..斯巴鲁傲虎BS9HC1H 2015年12月 FB25 [JF1BS22A9G**]
 仪表电路图..斯巴鲁傲虎 2010 EJ25 [JF1BR96D5A**]
 斯巴鲁XV-2.0L发动机维修手册大修间隙数据及..斯巴鲁XVGP7HC1H 2012.4.10 FB20 [JF1GP26DXC**]
 发动机二次空气泵的电路图..斯巴鲁森林人 2006 EJ20 [JF1SG52N67**]

Copyright @ 2009 www.car388.com All rights reserved. 蜀ICP备12014226号-2 增值电信增值业务许可证:川B2-20190647 服务电话:028-87038205 87039205 87020205 川公网安备 51010502010015号 公司地址:成都市龙泉驿区经开区南二路309号 鼎峰动力港 企业办公总部基地 12栋
2025-01-13.-.V25VHTML-2025-