[返回列表.]    [免费下载畅易手机版APP ]

用户 15219202 **当前提问:手刹模块电路图

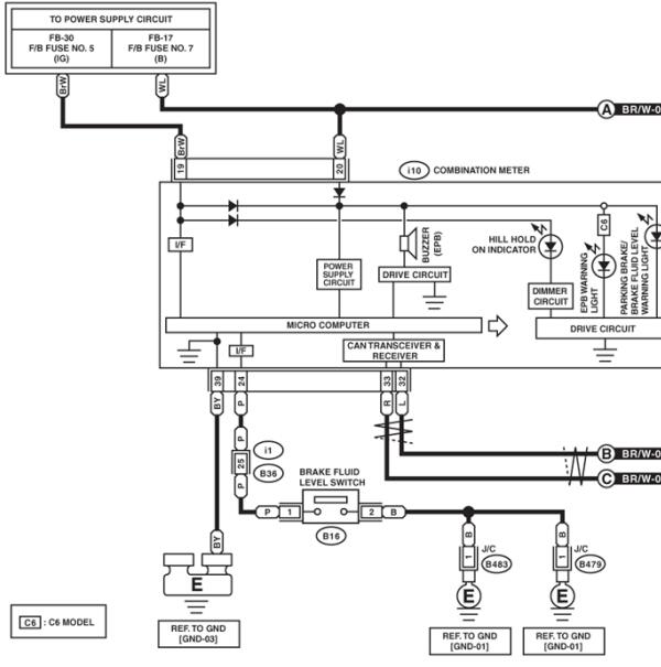
手刹模块电路图

.尊敬的用户,欢迎你使用在线客服,你的问题客服人员已为你处理完毕,请下载附件,如有疑问,欢迎和我们联系!.2011年斯巴鲁傲虎手刹模块电路图

附件:17221806583104.rar


用户 15219202 ***其他客服问题:
test:
  变速箱输出轴传感器安装位置.. 广汽自由侠2016-523A0027[LWVDA2060G** ]
  功放的电路图.. 雷克萨斯IS3002009-3GR-FE[JTHBG26299** ]
  整车通络线路和各个模块位置.. 本田思域2016-L15B8[LVHFC1668H** ]
  起动机系统电路图,保险丝供电图.. 奔驰 GLK 300 2013- 272 948 [LE4GG8BB3D** ]
  车上所有模块及所有模块的位置.. 德国宝马X512-N55B30A[WBAZV4100C** ]
  传感器A点的相关线路图,故障码是P0642.. 起亚 智跑2016-G4NA[LJDJAA148F** ]
以下是斯巴鲁相关车型的客服问题,希望对您有帮助
 11年傲虎变速箱电路图..斯巴鲁傲虎 2011 EJ25 [JF1BR98D0C**]
 14年斯巴鲁傲虎门锁电路图..斯巴鲁傲虎 2014 FB25 [JF1BR98D6E**]
 四驱保险位置..斯巴鲁森林人 2009 EJ20 [JF1SH52F0A**]
 斯巴鲁森林人事故车,主线撞断了,需要全车..斯巴鲁森林人 15-7 FB25 [JF1BS24AXF**]
 15年斯巴鲁森林人转向助力电脑电路图和端子..斯巴鲁森林人森林人 15年 不清楚·
 外界温度显示器分几种,有油耗显示吗..斯巴鲁森林人 10 [JF1SH95F4A**]
 ABS电路图..斯巴鲁森林人 14年 不详 [不详**]
 数据通信线路,尽量中文..斯巴鲁汽车Outback [傲虎]2.5i 无级 豪华导航版 2013 FB25(2.5) [JF1BR96D8D**]
 斯巴鲁傲虎电子手刹车模块供电针脚图。 手..斯巴鲁傲虎 10年 1 [1**]
 20款斯巴鲁傲虎并线辅助线路图..斯巴鲁傲虎 20 2.5i
 波箱电脑到ABS的线路图或者针脚图..斯巴鲁森林人 2011 EJ25 [JF1SH97G1C**]
 斯巴鲁儿童锁设置..斯巴鲁FORESTER(森林人)(2002—2008年款) 全部年份 全系列 [全系列**]

Copyright @ 2009 www.car388.com All rights reserved. 蜀ICP备12014226号-2 增值电信增值业务许可证:川B2-20190647 服务电话:028-87038205 87039205 87020205 川公网安备 51010502010015号 公司地址:成都市龙泉驿区经开区南二路309号 鼎峰动力港 企业办公总部基地 12栋
2025-01-13.-.V25VHTML-2025-