[返回列表.]    [免费下载畅易手机版APP ]

用户 广远 **当前提问:华颂7风扇电路图

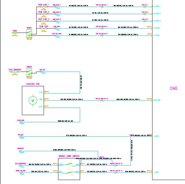
华颂7风扇电路图

.尊敬的用户,欢迎你使用在线客服,你的问题客服人员已为你处理完毕,请下载附件,如有疑问,欢迎和我们联系!2015年华颂7 N20N20发动机风扇电路图.

附件:84282319372109.rar


用户 广远 ***其他客服问题:
test:
  15年江淮星锐2.8门灯电路图.. 江淮星锐15-HFC4DA1[LJ166B3C3F** ]
  19别克英朗LJI 1.0发动机电脑针脚图.. 别克英朗19-LJI
  10年本田思铂睿主驾驶MICU管脚定义.. 本田思铂睿10-2.0
  22年奔驰C200L 206底盘全车线路图.. 奔驰20622-264915[LE4AG4BB9N** ]
  21年奥迪C8车身控制单元09管脚定义.. 奥迪A6L21年-DKW[LFV3A24K8M** ]
  11年大众CC发动机电路图.. 上汽大众CC11-EA888[LBV3A23C7B** ]
以下是华颂相关车型的客服问题,希望对您有帮助
 防盗电路图 车身 发动机电路图..华晨华颂华颂7 2016 N20B20C [LBVNE39096**]
 变速箱电路图..华晨汽车华颂72.0T 手自一体 舒适型 2015 N20B20C(2.0) [LSYAABDS1F**]
 中控锁电路图以及模块位置..华晨华颂7 2017 N20B20C [LSYAABCSXH**]
 华颂7节气门,油门踏板电路图..华颂华颂7 2015 N20B20C [LSYAABDU3F**]
 华晨华颂7,运输模式解除..华晨汽车华颂7 2017 n20b20
 自动变速箱维修资料跟电路图..华晨汽车华颂7 2015 N20B20C [LSY8ABDS4F**]
 华颂7发动机舱保险丝盒保险都是干什么的?..华晨华颂7 2015 N20
 电动滑门电路图..华晨汽车华颂72.0T 手自一体 旗舰型 2015 N20B20C(2.0) [LSYAABDU0F**]
 华颂启动继电器位置电路图..华颂华颂7 2017-11 .N20B20C [LSYAABCS2H**]
 华颂7油泵电路图..沈阳华晨金杯华颂7 15.11 N20B20C [SY5033XGC **]
 华颂7电子风扇电路图..华颂牌华颂7 15 N20 [111**]
 没有华晨,华颂牌汽车的电路图..华颂牌SY5033XGC-S1Z1BG 2015.9月 N20B20G [LSY8ABCS8F**]

Copyright @ 2009 www.car388.com All rights reserved. 蜀ICP备12014226号-2 增值电信增值业务许可证:川B2-20190647 服务电话:028-87038205 87039205 87020205 川公网安备 51010502010015号 公司地址:成都市龙泉驿区经开区南二路309号 鼎峰动力港 企业办公总部基地 12栋
2025-01-12.-.V25VHTML-2025-