[返回列表.]    [免费下载畅易手机版APP ]

用户 4321az **当前提问:奇瑞eq电池包线路图 阵脚图

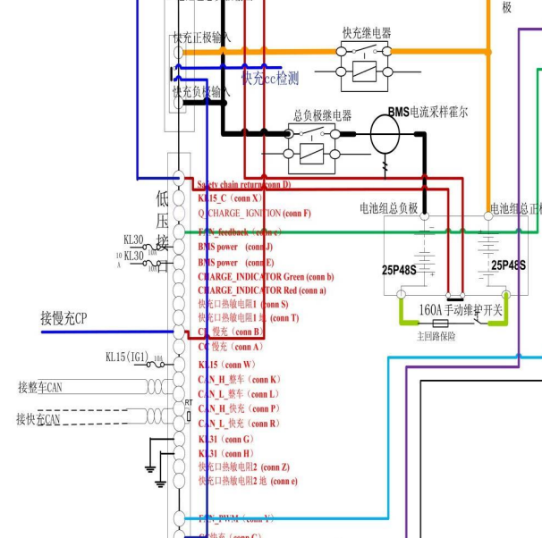
奇瑞eq电池包线路图 阵脚图

.尊敬的用户,欢迎你使用在线客服,抱歉该车15年只有维修手册,请参考该车17年电池包电路图及针脚资料,你的问题客服人员已为你处理完毕,请下载附件,打开链接,复制密码去下载资料,如有疑问,欢迎和我们联系!.2017年奇瑞EQ1电池包线路图及针脚

附件:27452210894468.zip


用户 4321az ***其他客服问题:
test:
  11年 福特F550 6.8L v10发动机 全车电路图.. 福特F5502011-V10
  大灯电路图.. 哈佛h62021-GW4B15A[LGWEF5A56M** ]
  11年道奇公羊5.7发动机系统电路图.. 道奇RAM2011-5.7[1C6RD7MT0C** ]
  BCM和RFA模块安装位置.. 长安福特翼虎15年-CAF488WQ2[LVSHJCAC9F** ]
  启辰发动机电路图.. 启辰启辰星2020-A415TD[LGB82MEBXL** ]
  98年宝马Z4 ABS电路图.. 宝马Z41998-1[WBACH71050** ]
以下是奇瑞相关车型的客服问题,希望对您有帮助
 奇瑞东方之子的发动机电路图..奇瑞东方之子 2010 321132132132 [1321132132**]
 10款奇瑞旗云2空调电路图..奇瑞奇瑞旗云2 2011 1
  B2173故障码排除步骤..奇瑞eq1 19年 新能源
 电脑板电路图电脑版及插头针脚。..奇瑞奇瑞E3 / A19 2014-09-13 SQRD4G15 [LVVDC11B5E**]
 奇瑞瑞虎7usb接头电路图..奇瑞瑞虎7 2016 sqrd4g20 [LVVDB24B5G**]
 奇瑞风云手动变速器拆装资料..奇瑞车风云 2002 玛遂利单点 [没**]
 转向灯的电路图..奇瑞A6 2007 1 [LVVDC11B37**]
 发动2机的线路图及转向的线路图..奇瑞SQR7110S217 200903 SQR472F [LVVDC12A99**]
 10年奇瑞威麟V5中控锁电路图..奇瑞威麟V5 10 1.8
 捷途X70空调部分电路图没有..奇瑞捷途X70 2019 4t15 [LVUDB11B6K**]
 风云2 09年的全车电路图 03SS..奇瑞风云2 09 [ **]
 10年奇瑞旗云3的电路图..奇瑞奇瑞 10 1 [1**]

Copyright @ 2009 www.car388.com All rights reserved. 蜀ICP备12014226号-2 增值电信增值业务许可证:川B2-20190647 服务电话:028-87038205 87039205 87020205 川公网安备 51010502010015号 公司地址:成都市龙泉驿区经开区南二路309号 鼎峰动力港 企业办公总部基地 12栋
2025-01-12.-.V25VHTML-2025-