[返回列表.]    [免费下载畅易手机版APP ]

用户 张福 **当前提问:花冠IG1继电器在哪

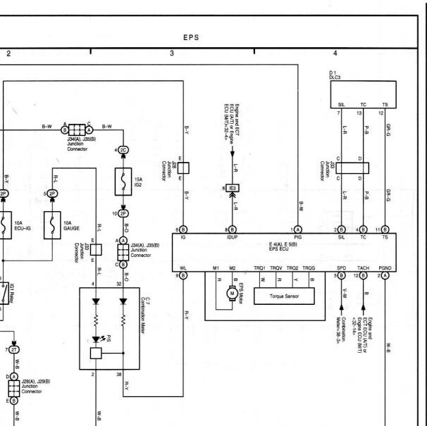
花冠IG1继电器在哪

花冠电子助力电路图

.尊敬的用户,欢迎你使用在线客服,你的问题客服人员已为你处理完毕,请下载附件,如有疑问,欢迎和我们联系!2008年丰田皇冠IG1继电器位置.

附件:25852330881257.rar

.尊敬的用户,欢迎你使用在线客服,你的问题客服人员已为你处理完毕,请下载附件,如有疑问,欢迎和我们联系!2008年丰田皇冠转向助力电路图..

附件:77822330884998.rar


用户 张福 ***其他客服问题:
  12年奔腾B50自动空调线路图.. 一汽B5012-..[...** ]
  04年凯美瑞空调压缩机继电器和保险丝在什么.. 丰田CAMRY03年-2AZ—FE[JTDBE30K00** ]
  沃尔沃XC90 ABS电路图.. 沃尔沃XC9012-B525T2[YV1CZ5951C** ]
  09年凯越 防盗电路图.. 别克凯越2009-F16D3[LSGJA52U89** ]
  21年福瑞迪电脑针脚图.. 起亚福瑞迪2021-6-G4FG[LJD1AA2C7M** ]
  08斯柯达明锐油泵继电器位置.. 斯柯达明锐2008-BYJ[LSVAG41Z08** ]
以下是丰田相关车型的客服问题,希望对您有帮助
 气囊灯常亮解码器进不去我想查气囊这块线路..丰田凯美瑞 2012年5月 5AR [LVGBF53K7C**]
 凯美特 发动机停机系统 位置图 针脚图..丰田凯美瑞 17 6AR [LVGBM51K6H**]
 诊断插头线路图及针脚含义..丰田汉兰达 2009 1AR-FE [LVGDA46A7B**]
 皇冠升降器开关接口定义..丰田皇冠 05~09 a [a**]
 定速巡航不能用需要气囊游丝线路图..丰田兰德酷路泽 07 2uzfe [lfmglk7498**]
 05款锐志继电器说明..丰田锐志 05 22 [22**]
 你好03年的丰田佳美SL换挡电磁阀在那里 给个..丰田佳美 03 2.4
 陆地巡洋舰 主副油泵电路图 继电器位置..丰田陆地巡洋舰 2000 4.7
 abs针脚图..丰田锐志 2008 5GR-FE [LFMBE22D18**]
 平衡轴正时..丰田埃尔法 2020 2AR [JTNHS3DH0L**]
 ABS控制系统电路图..丰田汽车红杉 2003 2UZ-FE [5TDBT48A03**]
 空调系统电路图,维修手册..丰田坦途 16年11月 3UR,5.7L [5TFDY5F12H**]

Copyright @ 2009 www.car388.com All rights reserved. 蜀ICP备12014226号-2 增值电信增值业务许可证:川B2-20190647 服务电话:028-87038205 87039205 87020205 川公网安备 51010502010015号 公司地址:成都市龙泉驿区经开区南二路309号 鼎峰动力港 企业办公总部基地 12栋
2025-05-21.-.V28**VHTML-2025-V18-11-5---2-