[返回列表.]    [免费下载畅易手机版APP ]

用户 qq101029 **当前提问:无钥匙进入左前门按钮电路图

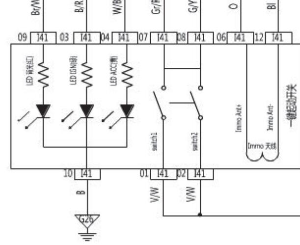
无钥匙进入左前门按钮电路图

.尊敬的用户,欢迎你使用在线客服,你的问题客服人员已为你处理完毕,请下载附件,如有疑问,欢迎和我们联系!2016年北汽幻速S3L无钥匙系统电路图.

附件:92652355381983.zip


用户 qq101029 ***其他客服问题:
  要仪表的电路走向图不是电路图啊。.. 华晨宝马X2 sDrive25i2.0T 双离合 领先型 M运动套装2020-B48A20C(2.0)[LBVYH3401L** ]
  倒车蜂鸣器位置,倒车雷达,蜂鸣器位置。.. 路虎汽车Freelander2 [神行者2代]2.2T 手自一体 SD4 SE 柴油版2011-224DT(2.2)[SALFA2BD7B** ]
  04年日产阳光危险警报灯开关线路图.. 东风日产阳光04年-老二
  电脑版针脚图。或者线路图。 .. 众泰汽车20081.3 手动 实用版2010-RN413EF(1.3)[LJ8H2A5B7B** ]
  左侧中门闭锁器开关位置。.. 广汽丰田赛那2.5 无级 舒适版2021-A25D(2.5)[LVGDD4A48N** ]
  喷油嘴电路图.. 保时捷汽车Cayenne [卡宴]3.0T 手自一体2012-CJT(3.0)[WP1AG2928D** ]
以下是北京汽车相关车型的客服问题,希望对您有帮助
 发电机调节器电路图有吗,急..北京汽车北京勇士 2012.10 NGD3.0
 北京E系列环境温度传感器安装位置及电路图..北京汽车A130 2014 A131
 U100D00,C005124,故障码资料..北京汽车EU5 2023 1 [LNBSC2GK8P**]
 发动机电脑针脚定义,电路图..北京汽车BJ40 2019 排量2.3型号B237R [LNBRCFDH9K**]
 全车电路图..北京汽车U5 Plus 2021/2022 . [.**]
 中控门锁线路..北京汽车BJ40 2016 2.0 [LNBRCFBH7H**]
 发动机正时..北京汽车锐铃2.5T 2013年5月 JE4D25E [LHBR3HSN3D**]
 车身后视镜电路图..北京汽车BJ40 2015 G4CA [LNBRCDDH4F**]
 维修手册..北京汽车BJ40L 2019 B237R [LNBRCFDK7K**]
 北京BJ40L冷却风扇电路图..北京汽车BJ40L 2018 B231R [LNBRCFDKXJ**]
 北京BJ40巡航定速电路图..北京汽车BJ40 2020 HY4C20B [LNBRCFBK1L**]
 北汽新能源ES210 VCU线路图..北京汽车ES210 2015/11 TZ40S01 [LNBSCC3H0F**]

Copyright @ 2009 www.car388.com All rights reserved. 蜀ICP备12014226号-2 增值电信增值业务许可证:川B2-20190647 服务电话:028-87038205 87039205 87020205 川公网安备 51010502010015号 公司地址:成都市龙泉驿区经开区南二路309号 鼎峰动力港 企业办公总部基地 12栋
2025-05-10.-.V28**