[返回列表.]    [免费下载畅易手机版APP ]

用户 13694221 **当前提问:点烟器保险丝的位置

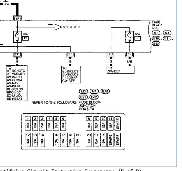
点烟器保险丝的位置

.尊敬的用户,欢迎你使用在线客服,你的问题客服人员已为你处理完毕,请下载附件,如有疑问,欢迎和我们联系!.2004年日产贵士点烟器保险丝位置

附件:78342360008481.zip


用户 13694221 ***其他客服问题:
test:
  大灯继电器位置,大灯线路图.. 奔驰E2402001-M112[WDB2100621** ]
  防盗电脑板的位置.. 丰田花冠2004-1ZZ-FE[LTVBR22E04** ]
  发动机针脚图,启动系统,点火系统电路图.. 丰田锐志2010-5GR-FE[LFMBEC4D6B** ]
  雨刮继电器总成的位置.. 丰田雷凌2016-1ZR-FE(4ZR)[LVGBU87E9G** ]
  压缩机继电器位置,还有空调的电路图.. 丰田普瑞维亚2005-2AZ-FE[JTEGD34M15** ]
  主继电器线路图.. 雪铁龙DS52012-5F06[VF7KF5FM8C** ]
以下是日产相关车型的客服问题,希望对您有帮助
 给我一份发动机电脑版和仪表针脚图..日产尼桑TASY61 1999 TB42-4169 [JM1TASY61Z**]
 97年日产途乐16.14.16.18电脑板端子图..日产途乐 1997 Y60
 有没有日产途乐中东版 电路图维修手册..日产途乐 2017 V6
 11年帅客鼓风机电路图 ..日产帅客 11 00000000 [0000000000**]
 发动机电脑针脚图..日产阳光 2013 HR15 [LGBP12E25D**]
 发动机线路图..日产英菲尼迪 2010 vq25
 2016年 日产逍客 发动机电脑电路图..日产逍客 2016 MR20 [LGBL4AE05G**]
 室内灯电路图..日产天籁 2012-04 MR20DE [LGBF1AE01C**]
 我需要一份英菲尼迪G35油表和油位传感器的电..日产英菲尼迪 2007 G [JNKBV61E37**]
 整车电路图..日产天籁 07款 VQ35DE [LGBF1HE067**]
 四驱控制系统电路图..日产途乐Y62 17年 VQ405823198 [JN8BY2NY4J**]
 你好麻烦帮我找下英菲尼迪EX25的ABS电路图..日产英菲尼迪EX25 2012 VQ25 [JNKDJ05E7B**]

Copyright @ 2009 www.car388.com All rights reserved. 蜀ICP备12014226号-2 增值电信增值业务许可证:川B2-20190647 服务电话:028-87038205 87039205 87020205 川公网安备 51010502010015号 公司地址:成都市龙泉驿区经开区南二路309号 鼎峰动力港 企业办公总部基地 12栋
2025-01-12.-.V25VHTML-2025-