[返回列表.]    [免费下载畅易手机版APP ]

用户 高强19 **当前提问:黄海旗胜v3油泵油表线路针脚图

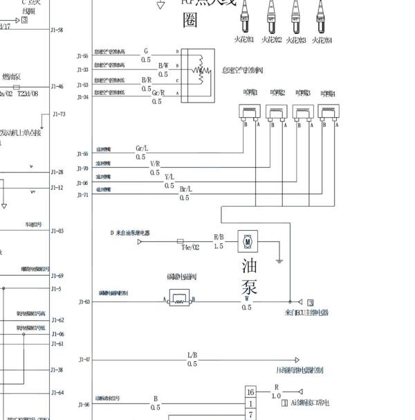
黄海旗胜v3油泵油表线路针脚图

.尊敬的用户,欢迎你使用在线客服,非常抱歉该车资料只有电路图和维修手册,没有针脚定义,电路图请直接登陆查询!查询方法:国内厂家 ->曙光汽车-旗胜V3-2011-2013[ 线路图 ] - >4G63 MT20U2发动机电喷系统.2011-2013年旗胜V3 油泵电路图

.尊敬的用户,欢迎你使用在线客服,非常抱歉该车资料只有电路图和维修手册,没有针脚定义,电路图请直接登陆查询!查询方法:国内厂家 ->曙光汽车-旗胜V3-2011-2013[ 维修手册/诊断 ]->车身电器系统->仪表显示系统2011-2013年旗胜V3 油表电路图.


用户 高强19 ***其他客服问题:
test:
  华颂全车电路图中文.. 华颂华颂17-N20[LSYAABDU9H** ]
  依维柯雨刷电机继电器.. 依维柯褒迪17-47z5[LNPHBUAG6G** ]
  13年霸道4000倒车灯后雾灯电路图.. 丰田40002013-1GR
  C200 中央网关电路图 仪表电路图 ABS电路图.. 奔驰C20016-274[************ ]
以下是黄海相关车型的客服问题,希望对您有帮助
 黄海汽车主减速器维修资料..黄海DD6470C 2010 R425DOHC [LDD01B020A**]
 发动机电路图以及维修手册..黄海DD6480 2006 JM4910-ME [LDD5205836**]
 黄海旗胜V3电路图 ..黄海汽车旗胜 2009 4G63
 14年丹东黄海前照明大灯线路图..黄海DD1030S 皮卡 14 LE493ZLQ4E [LDDC6A02E0**]
 车速传感器电路图及保险位置..黄海旗胜旗胜F1 2013 4G63S4M [LDDD2A025D**]
 有没有黄海大柴神的保险丝位置图解 ..黄海大柴神 1 1 [LDD6408B1C**]
 环境温度传感器位置图..黄海N3 2017 XD25T5 [LDDC8A305H**]
 黄海汽车N2仪表电路图..黄海N2 2018 2.4
 丹东黄海皮卡线路 保险盒/继电器线路..黄海DD1030K 2012 JE493ZLQ4CB [LDDC6A407D**]
 仪表电路图..黄海N2 2015 JE493ZLQ4CB [LDDC8A400G**]
 中控电路..黄海旗胜V3 2013 4G63S4M 2.0L [LDD82A022D**]
 保险丝F24的线路图,BCM的线路图..黄海N2 2018 JE493ZLQ5D [LDDC8A406K**]

Copyright @ 2009 www.car388.com All rights reserved. 蜀ICP备12014226号-2 增值电信增值业务许可证:川B2-20190647 服务电话:028-87038205 87039205 87020205 川公网安备 51010502010015号 公司地址:成都市龙泉驿区经开区南二路309号 鼎峰动力港 企业办公总部基地 12栋
2025-01-12.-.V25VHTML-2025-