[返回列表.]    [免费下载畅易手机版APP ]

用户 yanyu **当前提问:玻璃升降器相关电路图,系统上查的

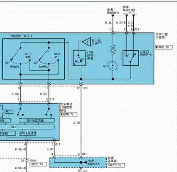
玻璃升降器相关电路图,系统上查的和实车

.尊敬的用户,欢迎你使用在线客服,你的问题客服人员已为你处理完毕,请下载附件,如有疑问,欢迎和我们联系!.2006年现代御翔玻璃升降电路图

附件:16512365522911.zip


用户 yanyu ***其他客服问题:
  前后灯的电路图.. 大众帕萨特2011-1[LSVCE6A43C** ]
  福迪探索者III仪表及转速传感器电路图.. 福迪探索者III2016。5。3-4F20TCI[LLTAZ42C2G** ]
  05宝来电动座椅电路图和座椅加热的电路图.. 一汽大众宝来2005-1.8T[无** ]
  2006年斯巴鲁力狮节气门相关电路图.. 斯巴鲁力狮2006-08-29-EJ20[JF1BL55N07** ]
  17年轩逸燃油继电器具体位置.. 东风日产DFL7162MAL22017.6-HR16[LGBH12E22H** ]
  帮忙看下10年别克GL8变速箱电脑的具体位置.. 上汽通用SGW6527AT2010。4-LZC[LSGUD82C8A** ]
以下是现代相关车型的客服问题,希望对您有帮助
 制动系统电路图,看的不清楚请给个附件..现代胜达 2014 2.4 [LBEDMBND6E**]
 发动机电脑版针脚定位图,变速箱连接发动机..现代伊兰特悦动悦动 2011 G4FC-1.6L [ LBEHDAFB4**]
 麻烦找下正时资料..现代维拉克斯 2009 3.8LG6DA [KMHNU81CS9**]
 11年索纳塔2.0 转向柱锁止系统电路图..现代索纳塔 11 2.0
 09款进口现代新胜达排量2.7 发动机维修扭力数..现代新胜达 2009 G6EA [KMHSH81D09**]
 变速箱电路图,变速箱的电源打铁,CAN线..现代胜达 2011 G4KE [KMHSH81B0B**]
 10年现代悦动1.6,多功能检查连接器位置图。..现代悦动 2010 G4FC
 发动机电脑版针角图..现代 伊兰特 2012 G4FG [LBEMDAFC1C**]
 有没有2009酷派劳恩斯2.0t维修资料?平台上的..现代劳恩斯酷派 2009 2.0T [..**]
 帮我查下这个车的爆震传感器安装位置跟电路..现代汽车New Santa Fe [新胜达]2.7 手自一体 舒适型 2007 G6EA(2.7) [KMHSH81D77**]
 雅绅特故障灯不了 打不着车..现代现代雅绅特 09 G4EE [LBEMCACA39**]
 麻烦发一份12年现代朗动1.6L的防盗电脑控制线..现代朗动 12年12月 G4FG [LBEMDAEC2C**]

Copyright @ 2009 www.car388.com All rights reserved. 蜀ICP备12014226号-2 增值电信增值业务许可证:川B2-20190647 服务电话:028-87038205 87039205 87020205 川公网安备 51010502010015号 公司地址:成都市龙泉驿区经开区南二路309号 鼎峰动力港 企业办公总部基地 12栋
2025-05-21.-.V28**VHTML-2025-V18-11-5---2-