[返回列表.]    [免费下载畅易手机版APP ]

用户 yanyu **当前提问:发动机系统电路图和电脑板端子图

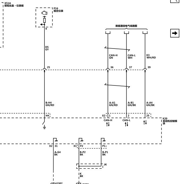
发动机系统电路图和电脑板端子图

.尊敬的用户,欢迎你使用在线客服,你的问题客服人员已为你处理完毕,请下载附件,如有疑问,欢迎和我们联系!.2015年五菱荣光发动机电路图

附件:19932372384689.zip


用户 yanyu ***其他客服问题:
test:
  2018年10月的英朗,变速箱报P31CC,P19E3,P19E6三.. 上汽通用SGM7103LAA12018。10-LJI[LSGKE54A0K** ]
  13年世嘉遥控控制系统的电路图及相关器件位.. 东风雪铁龙世嘉2013-N6A 10XA3A PSA[LDCC13L35D** ]
  10年凯迪拉克CTS3.0排量,整车维修手册,器件.. 美国通用汽车公司CTS2010年2月-LF1[1G6DZ5EG1A** ]
  2011年索纳塔8制动系统电路图,2.0的车,平台2.. 北京现代BH7200DAY2011-12-G4KD[LBEYFAKD4B** ]
  2014款江淮瑞风M52.0T空调系统电路图以及空调.. 江淮HFC6512A4HC8F2014-08-HFC4GA3-1D[LJ166A344E** ]
  09年款的沃尔沃S40遥控接收器位置,实物图,.. 长安沃尔沃S402008年9月份-B5244S4[LVSHEFEKX8** ]
以下是五菱相关车型的客服问题,希望对您有帮助
 五菱荣光博士电脑版针脚图112针..五菱荣光 2017 lsi [l z w**]
 发动机电脑针脚图..五菱荣光小卡 2016-11 L3C [LZWDAAGA4G**]
 发动机电路图..上汽通用五菱荣光小卡1.2 手动 基本型双排 2020 LSI(1.2) [LZWCBAGA3L**]
 五菱荣光小卡1.5维修手册..五菱荣光小卡 2015 L3C [LZWDBAGA1H**]
 变速箱电脑电路图已经维修手册..五菱五菱宏光 2014 L2B [LZWADAGA3E**]
 发动机电路图 01SS..五菱乐驰 2005 F8CV [LZWMAG3K85**]
 油泵位置..五菱荣光V 2014 1 [1**]
 发动机和空调系统线路图..五菱宝骏宝骏360 18年 L2B [LZWADAGAXJ**]
 正时匹配..五菱征程 2016 479
 麻烦帮忙查一下这个车仪表供电搭铁线路图,..上汽通用五菱荣光小卡1.2 手动 2010 LAQ(1.2) [LZWCAAGA9C**]
 五菱荣光新卡2.0的变速箱分解图..五菱荣光新卡 2023 LZM20B [LZWCAAGB4P**]
 17年五菱荣光S发动机控制系统电路图电脑64+48..五菱荣光S 2017

Copyright @ 2009 www.car388.com All rights reserved. 蜀ICP备12014226号-2 增值电信增值业务许可证:川B2-20190647 服务电话:028-87038205 87039205 87020205 川公网安备 51010502010015号 公司地址:成都市龙泉驿区经开区南二路309号 鼎峰动力港 企业办公总部基地 12栋
2025-01-12.-.V25VHTML-2025-