[返回列表.]    [免费下载畅易手机版APP ]

用户 18686 **当前提问:四驱线路和位置

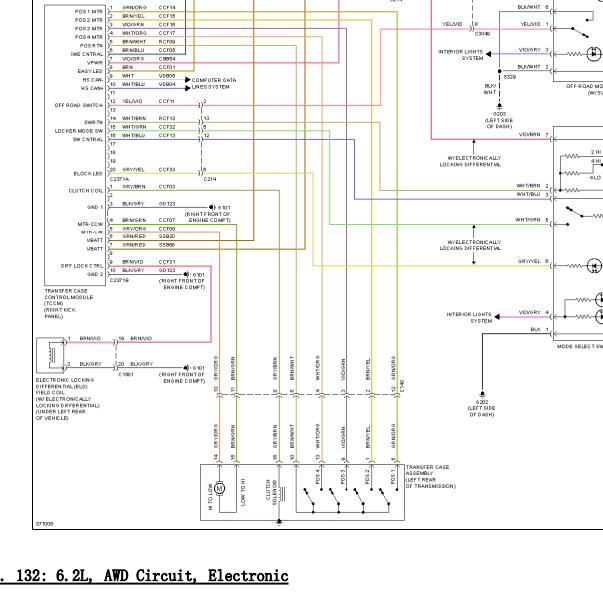
四驱线路和位置

.尊敬的用户,欢迎你使用在线客服,你的问题客服人员已为你处理完毕,请下载附件,如有疑问,欢迎和我们联系!2012年福特猛禽四驱电路图.

附件:45372382873059.rar


用户 18686 ***其他客服问题:
test:
  道奇酷威电路.. 道奇酷威10-分[3D4PG6FDXA** ]
  C1380 C1425 C1A4B 故障码和故障处理方法.. 丰田凯美瑞2020-1[LVGBT74K8L** ]
  P056412故障码资料.. 哈弗M62021-GW4G15F[LGWEF4A56M** ]
  内容: 长城再查一下巡航有关系的电路图.. 哈弗长城汽车-M6 PLUS 哈弗长城汽车-M6 PLUS 2021-1[LGWEF4A56M** ]
  保险盒的位置和线路.. 丰田子弹头2005-1[JT3A312RP5** ]
  17年丰田RAV4转向角传感器匹配方法有吗.. 丰田RAV42017-6ZR-FAE[LFMK440F2H** ]
以下是福特相关车型的客服问题,希望对您有帮助
 主门和BCM电路..福特猛禽 12 汽油 [1FTFW1R67C**]
 右前大灯LIN线 线路图走向..福特汽车MKZ2.0T 手自一体 尊耀版 2017 9(2.0) [3LN6L5R92H**]
 整车电路图有吗..福特猛禽 2011
 车身模块位置 跟线路图..美国 加州华兴汽车公司猛禽 2012 BOSS [1FTFW1R68D**]
 2004款林肯领航员空气悬架电路,VAPS电路图..福特林肯林肯领航员 2004 V8 [5LMFU28535**]
 福特福克斯发动机电脑针脚图..福特福克斯 10年 1 [1**]
 后电动尾门的维修手册。原件位置图..福特探险者 2012 ......
 18款福特福睿斯刹车开关部分的线路图..福特福睿斯 2018 CAF479Q1 [LVSHFFAL7J**]
 17年猛禽f150 FCDLM前部控制显示接口模块在哪 ..福特猛禽 17 123 [123**]
 给我一份这个车发动机电脑的线路图和针脚图..福特福睿斯 2017 CAF479Q1 [LVSHFFAL3H**]
 正时图 03SS..福特猛禽福特猛禽 2014 3.5T [1FTFW1ET7E**]
 后备箱保险丝盒的说明..福特 蒙迪欧 2008 L3 [LVSHBFAF09**]

Copyright @ 2009 www.car388.com All rights reserved. 蜀ICP备12014226号-2 增值电信增值业务许可证:川B2-20190647 服务电话:028-87038205 87039205 87020205 川公网安备 51010502010015号 公司地址:成都市龙泉驿区经开区南二路309号 鼎峰动力港 企业办公总部基地 12栋
2025-01-12.-.V25VHTML-2025-