[返回列表.]    [免费下载畅易手机版APP ]

用户 18902343 **当前提问:中控锁模块位置以及电路图

中控锁模块位置以及电路图

.尊敬的用户,欢迎你使用在线客服,你的问题客服人员已为你处理完毕,请下载附件,如有疑问,欢迎和我们联系!2010年雪铁龙爱丽舍中控锁电路图和位置.

附件:92852389825172.zip

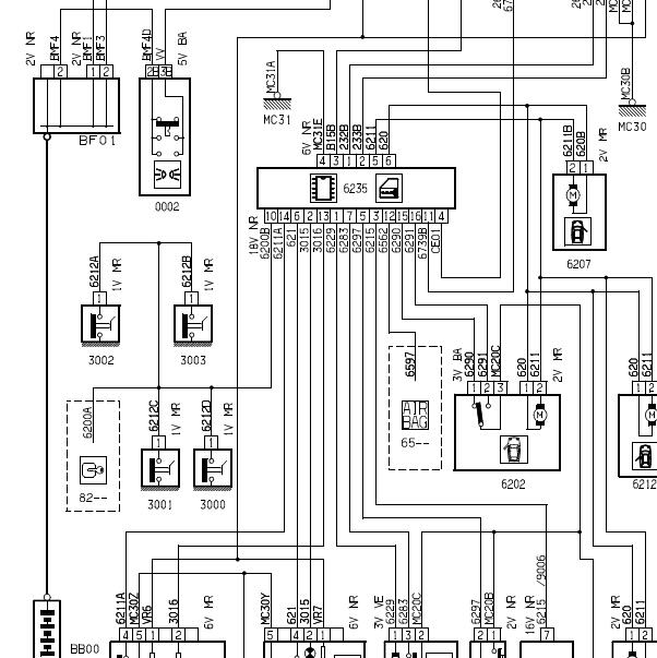
6235模块在哪

.尊敬的用户,欢迎你使用在线客服,你的问题客服人员已为你处理完毕,请下载附件,如有疑问,欢迎和我们联系!2010年雪铁龙爱丽舍6235位置.

附件:17642389825709.rar


用户 18902343 ***其他客服问题:
  仪表针脚定义.. 斯柯达晶锐 2008-CDD[LSVFA455XA** ]
  仪表针脚图.. 上海大众帕萨特1.8TSI 双离合 尊雅版2014-CEA(1.8)[LSVCZ6A45E** ]
  鼓风机继电器在什么位置.. 比亚迪汽车L31.5 手动 舒适型2012-BYD473QE(1.5)[LGXC16DF8C** ]
  发动机针脚图.. 长安汽车悦翔-三厢1.5 手动 3G版2011-JL475QL(1.5)[LS5A2ABE1B** ]
  空气流量计的电路图.. 吉利博越2016-JLE-4G18TDB[L6T7742Z7H** ]
  发动机电路图.. 金杯7502015-DLDG15[LSYAAAAB8F** ]
以下是雪铁龙相关车型的客服问题,希望对您有帮助
 雪铁龙 塞纳 2014款 仪表..雪铁龙塞纳 2014 sakkl [slkdkl**]
 发动机电路图详解,最好有文字标注,保险丝..东风雪铁龙爱丽舍 2010 N6A10FX3APSA [LD703L22A1**]
 ABS泵电路图及针脚图..雪铁龙C4 201803 1.6 [LDCC53T40J**]
 雪铁龙爱丽舍发动机电脑插头位置图 发动机..雪铁龙爱丽舍 14 1.6
 燃油泵控制电路..雪铁龙富康988 03
 东风雪铁龙C5发动机电脑板针角供电通讯端子..雪铁龙牌C5 2010 -11 PSA 3FY 10XP01 [LDCA13R43A**]
 发动机大修力矩下载的..雪铁龙 X - 雪铁龙 爱丽舍-东风雪铁龙 1.6L 2014 2014款1.6L 手动 舒适版 2014 1.6L [ LDC643T2X**]
 雪铁龙C4L方向锁电路图..雪铁龙C4L 14年 B7
 08年爱丽舍电路图..雪铁龙爱丽舍 2008 1,6 [无**]
 变速箱电脑线路图中1635里面的A5这根线到哪里..雪铁龙爱丽舍 14 , [,**]
 双燃料 发动机电路图..雪铁龙爱丽舍 09年
 2010年雪铁龙C5,燃油泵电路图(燃油喷射图中..雪铁龙C5 2010 PSA 3FY 10XP0 [LDCA13R43A**]

Copyright @ 2009 www.car388.com All rights reserved. 蜀ICP备12014226号-2 增值电信增值业务许可证:川B2-20190647 服务电话:028-87038205 87039205 87020205 川公网安备 51010502010015号 公司地址:成都市龙泉驿区经开区南二路309号 鼎峰动力港 企业办公总部基地 12栋
2025-05-21.-.V28**VHTML-2025-V18-11-5---2-