[返回列表.]    [免费下载畅易手机版APP ]

用户 13581632 **当前提问:大灯电路图和保险丝位置图下载下来

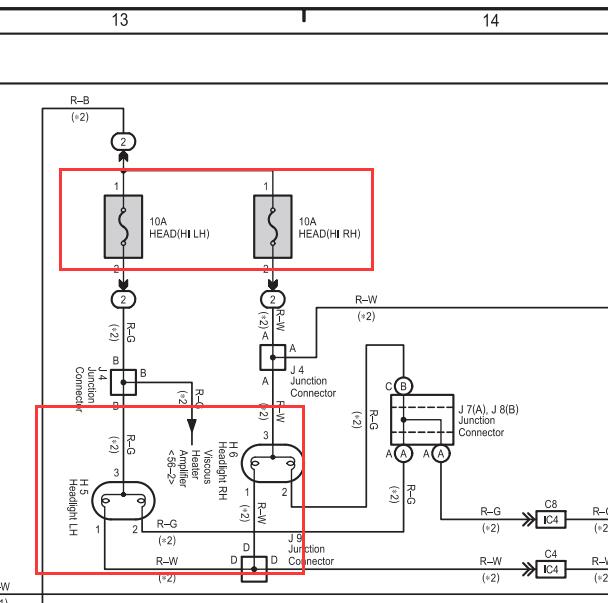
大灯电路图和保险丝位置图下载下来的。

.尊敬的用户,欢迎你使用在线客服,你的问题客服人员已为你处理完毕,请下载附件,如有疑问,欢迎和我们联系!.2005年丰田普拉多大灯电路图

附件:97022399008538.rar

已评价:5星好评


用户 13581632 ***其他客服问题:
  后杠倒车雷达电路图,.. 广汽 G - 广汽新能源 AION Y-广汽乘用车 电动 2023 2023款 Younger2023-电动[LNADKAB12P** ]
  高压互锁电路图.. 开瑞 K - 开瑞 优优-奇瑞汽车 电动 2018 2018款40KWh 标准版2018-电动[ LVM6A1G12** ]
  保险丝位置图.. 别克 B - 别克 威朗-上海通用别克 1.5T 2023 2023款 1.5T 无级 Pro GS 猎2023-1.5T[LSGER5359P** ]
  更换膨胀阀方法.. 奇瑞开瑞 优劲奇瑞汽车单排2018-1.5L[LvmZ1A1A9j** ]
  升降器电路图.. 英菲尼迪 Y - 英菲尼迪 QX60-日产汽车 2.5T-混合动力 2014 2014款2.5T 无级 两驱2014-2.5T[5N1CL0MN0E** ]
  安装正时.. 华晨鑫源X72020-SWE20[ LM6AAAAH8** ]
以下是丰田相关车型的客服问题,希望对您有帮助
 底盘升降电路图 维修手册..丰田汽车Land Cruiser [兰德酷路泽]4.7 自动 VX-R 2003 2UZ-FE(4.7) [JTEHT05J80**]
 霸道2.7正时..丰田霸道 2012 2tr
 雷凌发动机起停系统电路图..丰田雷凌 2017 9NR
 凯美瑞混合动力 全车电脑位置图..丰田凯美瑞 15 混合动力
 15年凯美瑞升降电路图..丰田凯美瑞 15 1111 [lvgbm51k9g**]
 音响主机供电电路图 和保险丝位置..丰田凯美瑞 2016年11月 6AR [LVGBM51K4G**]
 2020年丰田奕泽遥控器电路图..丰田奕泽 2020 M20A [LFMCM1CX9L**]
 倒车雷达电路图,系统的全部不一样,发229235..丰田普拉多 2014 1GR 点击购买 [LFMGJE722E**]
 凯美瑞方向机的,插头针脚说明吗?我查到电..丰田凯美瑞 18 1 [LVGBT74K4J**]
 前照灯初始化设置s ..丰田皇冠 2000-2012
 帮我找一份11年锐志的发电机线路资料..丰田锐志 11 5GR [LFMBEC4D6B**]
 13丰田86 6速手动变速箱拆装资料..丰田86 13 6556 [无**]

Copyright @ 2009 www.car388.com All rights reserved. 蜀ICP备12014226号-2 增值电信增值业务许可证:川B2-20190647 服务电话:028-87038205 87039205 87020205 川公网安备 51010502010015号 公司地址:成都市龙泉驿区经开区南二路309号 鼎峰动力港 企业办公总部基地 12栋
2025-05-21.-.V28**VHTML-2025-V18-11-5---2-