[返回列表.]    [免费下载畅易手机版APP ]

用户 18880459 **当前提问:ABS泵的IG1线到那里

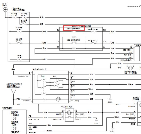
ABS泵的IG1线到那里

.尊敬的用户,欢迎你使用在线客服,你需要的资料在《畅易汽车维修技术支持平台》是有的,请直接登陆查询!查询方法:国内厂家 -> 东风本田-思域(CIVIC)-2017-2018[ 维修手册/诊断 ]-> 思域FC7 ->制动系统->常规制动部件->VSA系统电路图[带ACC].2018年本田思域ABS到IG1电路图


用户 18880459 ***其他客服问题:
test:
  P010168 ,P061A68故障码资料.. 沃尔沃 S802007- B5254T6 [YV1AS56557** ]
  帮我找一下这车的发动机控制模块和尿素控制.. 奔驰GL3502008-642 820[4JGBF2FE7C** ]
  ABS电路图.. 东风本田思域2018年-P10A1[LVHFC7639K** ]
  全车电路图能找到吗.. 东风畅游2010- XC4G19 [LGDHD31EX9** ]
  C1502诊断手册,.. 克莱斯勒指南者2014-2.4[1C4NJDCB2F** ]
  保险盒详解.. 本田凌派2013-R18Z5[LHGGJ567XE** ]
以下是东风本田相关车型的客服问题,希望对您有帮助
 纵向加速传感器在哪里..东风本田CRV 2012-10 2.4 [LVHRM485XC**]
 发动机线路图跟发动机电脑的端子图..东风本田思铭1.8 手动 2012 R18A1(1.8) [LVHC14508C**]
 车身电脑针脚图..东风本田思铂睿 2010 1 [1**]
 19;年思域电脑进不去。显示通讯短路。事故..东风本田思域 2019 L15B8 [LVHFC1661K**]
 空调自诊断设置(就是怎么设置能读出空调故..东风本田本田CRV 2013年3月 R20A7 [LVHRM1813C**]
 东风本田思铂睿雷达电路图..东风本田思铂睿SI 2015 2.4L K24V4 [LVHCU6690G**]
 发动机电脑针脚定义..东风本田CRV 2016 R20A7 [LVHRM1826G**]
 这个车进气格栅电路图有没有..东风本田INSPIRE(英仕派)1.5T 无级 260TURBO 精致版 2019 L15BR(1.5) [LVHCV4651L**]
 仪表供电不良 仪表电路图和针脚定义 ..本田思域 2008 R18A1 [LVHFA16267**]
 02年本田思域ES7发动机电脑针脚,和空调控制..本田思域ES7 2002 D16V1 [NLAES76302**]
 本田CRV17年手动1.5保养复位..东风本田CRV 17 1.5
 找个思域22款气囊电脑线路图..东风本田思域240TURBO CVT燃动版 2022 L15C8 [LVHFE1659N**]

Copyright @ 2009 www.car388.com All rights reserved. 蜀ICP备12014226号-2 增值电信增值业务许可证:川B2-20190647 服务电话:028-87038205 87039205 87020205 川公网安备 51010502010015号 公司地址:成都市龙泉驿区经开区南二路309号 鼎峰动力港 企业办公总部基地 12栋
2025-01-12.-.V25VHTML-2025-V18-11-5---2-