[返回列表.]    [免费下载畅易手机版APP ]

用户 TYQX **当前提问:发动机燃油系统电路图

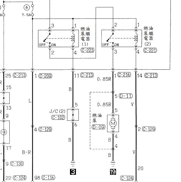
发动机燃油系统电路图

.尊敬的用户,欢迎你使用在线客服,你的问题客服人员已为你处理完毕,请下载附件,如有疑问,欢迎和我们联系!.东南 蓝瑟DA4G18 发动机油泵电路图

附件:26842144182448.rar


用户 TYQX ***其他客服问题:
test:
  前分动箱加油口在哪.. 北京奔驰GLK 300 4MATIC3.0 手自一体 豪华型 极致版2015-272 948(3.0)[LE4GG8BB8E** ]
  电子管柱电路图和手册.. 东风悦达起亚福瑞迪1.6 手自一体 GLS2014-G4FC(1.6)[LJDGAA228E** ]
  燃油部分电路图.. 福特Edge Limited2011-C[2FMDK4KC7C** ]
  中央门锁,雨刷和座椅加热的电路图.. 宝马325Li2020-B48B20D[LBV6P4106L** ]
  长城h6气囊故障码s900513什么意思.. 长城h62015-gw4c20[lgwef6a53f** ]
以下是三菱相关车型的客服问题,希望对您有帮助
 03年三菱帕杰罗V73,发动机电脑端子图解..三菱三菱帕杰罗 03年 V73
 车身电脑板线路图..三菱奕歌 2019 4B40 [LL67GAF03K**]
 变速箱电路图..三菱蓝琴 06年 DA4G19 [LDNP4LFE86**]
 遥控 中控电路图..三菱帕杰罗 2011 6G72 [LL62H4C06B**]
 帕杰罗V73 怎么没有自动变速箱内部结构图?..三菱帕杰罗V73 2003 V73 [ JMYLRV73W**]
 手动变速箱维修手册..三菱EVO 9 2006/11 4G63 [JE3AB86G37**]
 防抱死刹车系统,abs系统故障内容;2、4驱动..三菱帕杰罗 2006
 三菱格蓝迪发动机线路图..三菱商务 07年 4g69 [JE3AA48H47**]
 请提供日本进口三菱格兰迪2007年,发动机控..三菱格兰迪 2007 没有看 [没有看**]
 手动变速箱分动箱结构图,中文版的有木有?..三菱V73 2001年
 你好,请问这个车型的变速箱电路图及端子电..三菱蒙特罗V43 1993
 发动机跟OBD电路图..三菱,帕杰罗V77 2005 6G75

Copyright @ 2009 www.car388.com All rights reserved. 蜀ICP备12014226号-2 增值电信增值业务许可证:川B2-20190647 服务电话:028-87038205 87039205 87020205 川公网安备 51010502010015号 公司地址:成都市龙泉驿区经开区南二路309号 鼎峰动力港 企业办公总部基地 12栋
2025-01-12.-.V25VHTML-2025-