[返回列表.]    [免费下载畅易手机版APP ]

用户 mr.binsh **当前提问:变速箱通讯电路图

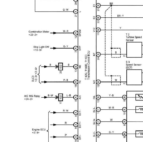
变速箱通讯电路图

.尊敬的用户,欢迎你使用在线客服,你需要的资料在《畅易汽车维修技术支持平台》是有的,请直接登陆查询!查询方法:国内厂家 ->一汽丰田-威驰(VIOS)-2003-2007- >线路图->全车电路图->ECT和A/T指示灯2003-2007年丰田威驰变速箱通讯电路图.


用户 mr.binsh ***其他客服问题:
  转向灯线路图.. 福特 F-150 [猛禽] 2018- G [1FTEW1EGXJ** ]
  电动中门相关线路图,插接件。.. 丰田 Previa [普瑞维亚] 2002- 2AZ-FE [JTEGD34MX0** ]
  P0226故障码资料.. 玛莎拉蒂Quattroporte [总裁]3.0T 手自一体2013-M156 C(3.0)[ZAMSP56EXE** ]
  P2821油路压力电磁阀A卡在打开,在公众号没有.. 讴歌CDX 2017- L15B9 [LHGRH4834H** ]
  网络通讯线路图.. 克莱斯勒PT漫步者2007-EDZ[1A8FYB8B08** ]
  左前门开门指示灯线路图.. 本田奥德赛2006-K24[LHGRB18406** ]
以下是丰田相关车型的客服问题,希望对您有帮助
 导航 音频 功放系统电路图..丰田酷路泽 2008 3ur [JTMHY05J88**]
 丰田2UZ发动机手册..丰田酷路泽 09 2UZ [LFMGLK7479**]
 2个插头,60和126针的..丰田卡罗拉 2013 1ZR-FE [LFMAPE2C7D**]
 正时校对..丰田汽车Tundra [坦途]5.7 手自一体 标准版 2011 3UR-FE(5.7) [5TFDY5F16E**]
 14年九月丰田奔跑者的OBD头子的电路图主要是O..丰田Fortuner奔跑者 2014.9 2TR [MHFYX59G2E**]
 启动系统电路图和位置图..丰田 雷克萨斯 2011年9月 2GR [JTJBC11A7B**]
 2008年酷路泽570(美规)安全带系统电路图..丰田酷路泽 2008 3UZ
 这车的发动机保险盒和驾驶室保险盒继电器和..丰田花冠 2006 1zz [LFMAC22C06**]
 发动机电脑位置图..丰田埃尔法 2018 3.5 [JTNGZ3DH6H**]
 P27137F P27567F P07407E相关维修手册(如果没有..丰田塞纳 17 [ **]
 发动机线路图..丰田 丰田坦途 皮卡 不详 不详 [5TFUY5F16B**]
 丰田霸道的发动机维修资料没有找到..丰田丰田霸道 07年11 1GR-FE [JTEBU25J28**]

Copyright @ 2009 www.car388.com All rights reserved. 蜀ICP备12014226号-2 增值电信增值业务许可证:川B2-20190647 服务电话:028-87038205 87039205 87020205 川公网安备 51010502010015号 公司地址:成都市龙泉驿区经开区南二路309号 鼎峰动力港 企业办公总部基地 12栋
2025-05-21.-.V28**VHTML-2025-V18-11-5---2-