[返回列表.]    [免费下载畅易手机版APP ]

用户 15825015 **当前提问:喇叭电路图

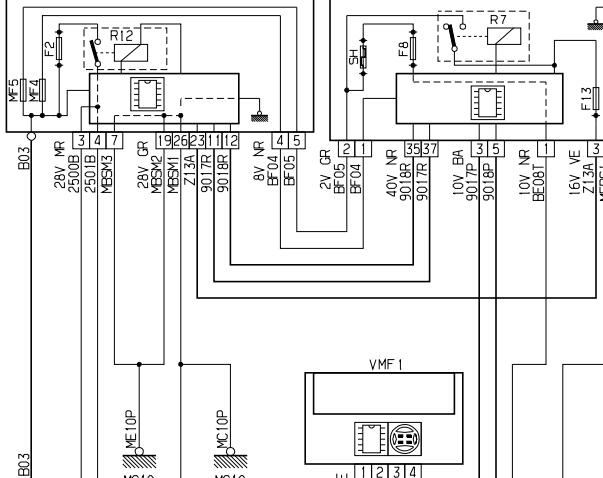
喇叭电路图

.尊敬的用户,欢迎你使用在线客服,你的问题客服人员已为你处理完毕,请下载附件,如有疑问,欢迎和我们联系!13年雪铁龙世嘉喇叭电路图.

附件:43622449383929.zip


用户 15825015 ***其他客服问题:
  整车线路.. 日产阳光2013-1[L GBP12E23** ]
  IPS是什么模块在什么位置.. 瑞风S52013-1[LJ12EKS42D** ]
  新能源 OBC这一块线路图,慢充充不了.. 东风小康ec362017-11111[11111** ]
  预热电路图.. 金杯大力神2014-D22A[LSYEKS3S0E** ]
以下是雪铁龙相关车型的客服问题,希望对您有帮助
 来一份部件定义图..雪铁龙C4L 2015 WFZ
 2011年雪铁龙世嘉2.0手动档发动机电脑针脚定..东风雪铁龙世嘉 2011 2.0
 点火线圈线路图..雪铁龙世嘉 2011年12月 PSA RFN 10LH3X [LDCC13X25B**]
 雪铁龙C4L电路图 维修手册..雪铁龙C4L 2013 WFZ [LDCC23Y44D**]
 发动机电路图 03SS..雪铁龙C2雪铁龙C2 2013 TU3AF [LDC621P22D**]
 喷油嘴无电压无法着车..雪铁龙C5 2012 MM6Kp [LDCA13X41C**]
 电子手刹维修手册\平台里面只有机械手刹的..雪铁龙c4l 2016 HN03 [LDCC23440G**]
 雪铁龙世嘉牌照灯线路图..雪铁龙世嘉 2015年 NFP [LDCC132T2F**]
 雪铁龙世嘉1.6T电子水泵电路图..雪铁龙世嘉 2010 5FT [VF7LA5FT6A**]
 更换风扇模块后的匹配方法..雪铁龙C5小客车 2010 PSA 3FY 10XP01 [LDCA13R48A**]
 雪铁龙 ds5的全车电路图..雪铁龙DS5 14 5F06 [LPAA1CAC9E**]
 急需雪铁龙C2的保养归零资料s?..雪铁龙C2 2006-2011

Copyright @ 2009 www.car388.com All rights reserved. 蜀ICP备12014226号-2 增值电信增值业务许可证:川B2-20190647 服务电话:028-87038205 87039205 87020205 川公网安备 51010502010015号 公司地址:成都市龙泉驿区经开区南二路309号 鼎峰动力港 企业办公总部基地 12栋
2025-05-21.-.V28**VHTML-2025-V18-11-5---2-