[返回列表.]    [免费下载畅易手机版APP ]

用户 JQY2017 **当前提问:前后氧传感器电路图

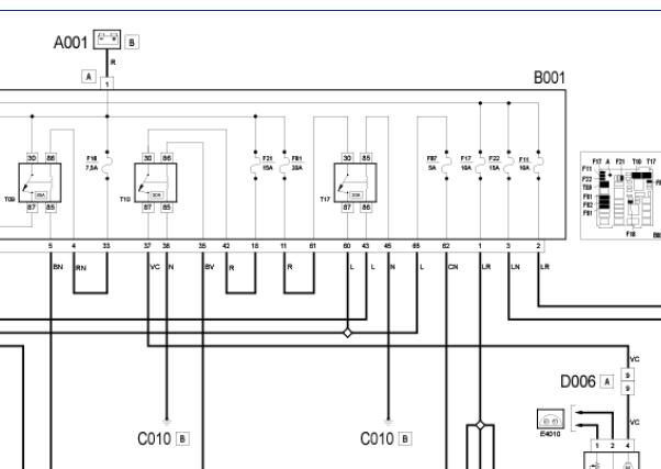
前后氧传感器电路图

.尊敬的用户,欢迎你使用在线客服,你的问题客服人员已为你处理完毕,请下载附件,如有疑问,欢迎和我们联系!2015年菲亚特菲翔发动机电路图.

附件:61042059257389.rar

.尊敬的用户,欢迎你使用在线客服,你需要的资料在《畅易汽车维修技术支持平台》是有的,请直接登陆查询!查询方法:国内厂家 -> 广汽菲亚特-菲翔(Viaggio)-2014-2016[ 线路图 ] -> E50发动机控制和管理系统 -> E5030发动机电子管理系统.2014-2016年广汽菲亚特-菲翔 发动机电路图


用户 JQY2017 ***其他客服问题:
  维修手册.. 雷克萨斯es2402010-2.4[JTHBW46G8A** ]
  诊断接口电路图.. 东风汽车QX502017-VQ25[LGBW2DE42H** ]
  保养提示不能清除.. 长安UNI-V2022-1.5T[ls5a2dke5n** ]
  发动机维修手册.. 吉普大切诺基2015-3.0柴油[1C4RJFBM5F** ]
  帮我看看发动机机油温度传感器线束上面T14插.. 大众辉腾2013-cex[wvwf373d7d** ]
  点火系统电路图.. 华夏金杯鑫源2016-DLCG14[LSYAFAAAXG** ]
以下是广汽菲亚特相关车型的客服问题,希望对您有帮助
 自动变速箱电路图..广汽菲亚特吉普自由光 2018 M095 [LWVCAE787J**]
 广汽菲亚特菲翔气囊电路图..菲亚特菲翔 2014年 343B0027 [LWVAA1120E**]
 菲亚特飞翔正时图..广汽菲亚特GFA7140AAAA 13 343B0027 [LWVAA1129D**]
 电动方向机维修手册,..广汽菲亚特菲翔1.4T 双离合 悦享版 2012 343B0027(1.4) [LWVAA1527D**]
 菲亚特菲翔前刹车分泵支架扭力,变速箱阀体..菲亚特菲翔 2015 343B0027 [LWVAB1564F**]
 转向灯,危险警告灯线路图..菲亚特菲翔 2015 343B0027 [LWVAA1123F**]
 你好来一份BCM针脚定义 ..广汽菲亚特菲翔 2012 1.4 [LWVAA1124C**]
 双离合变速器液压控制部分,液压油怎么更换..菲亚特菲翔 2017 1.4L
 要这车的正时图..广汽菲亚特克莱斯勒汽车有限公司jeep 2019 46338779 [LWVEB4045K**]
 Can总线拓扑图,发动机电脑针脚图,,电路图..广汽菲亚特菲翔1.4T 双离合 悦享版 2012 343B0027(1.4) [LWVAA1520D**]
 13年菲亚特菲翔远程油门传感器线路图跟位置..菲亚特菲翔 13 .002.213
 这个车的网络图有不.. 菲亚特 菲翔 2012 343B0027 [LWVAA1544C**]

Copyright @ 2009 www.car388.com All rights reserved. 蜀ICP备12014226号-2 增值电信增值业务许可证:川B2-20190647 服务电话:028-87038205 87039205 87020205 川公网安备 51010502010015号 公司地址:成都市龙泉驿区经开区南二路309号 鼎峰动力港 企业办公总部基地 12栋
2025-05-21.-.V28**VHTML-2025-V18-11-5---2-