[返回列表.]    [免费下载畅易手机版APP ]

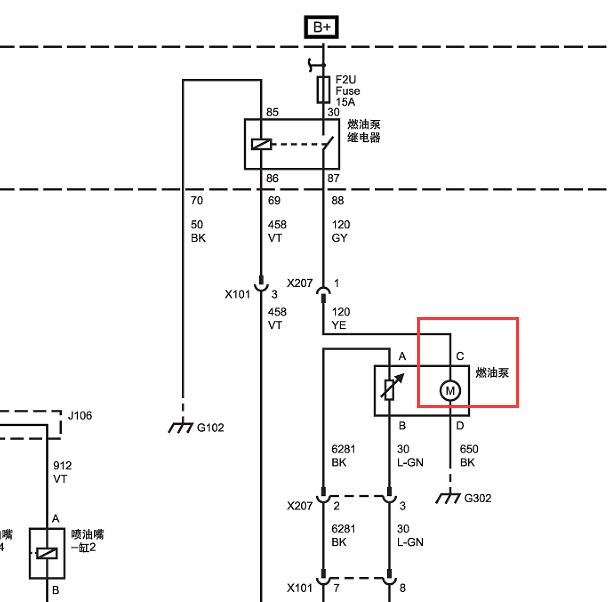
用户 18686725 **当前提问:油泵电路图

油泵电路图

.尊敬的用户,欢迎你使用在线客服,你需要的资料在《畅易汽车维修技术支持平台》是有的,请直接登陆查询!查询方法:国内厂家 -> 上海通用五菱-宏光-2012[ 维修手册/诊断 ] ->五菱宏光(CN100)维修手册下册 -> 第6章6.4B发动机控制系统(1.4L)->) 6.4B.1 发动机控制系统连接器端视图(1.4L UAES) -> 6.4B.1.1发动机控制模块(1.4L UAES).2012年五菱宏光发动机电路图

找油泵不是喷油嘴

.尊敬的用户,欢迎你使用在线客服,客服再次处理了雪佛兰LCU同款发动机油泵电路图参考,你的问题客服人员已为你处理完毕,请下载附件,如有疑问,欢迎和我们联系!.11雪佛兰赛欧LCU发动机油泵电路图

附件:78852459524366.zip


用户 18686725 ***其他客服问题:
   主机电路图.. 克莱斯勒Ram [公羊]6.2T 自动 1500 HEMI2022-9(6.2)[1C6SRFU9XN** ]
  发动机电脑针脚图.. 福特锐界2015- CAF488WQ5 [LVSHFCAC1F** ]
  变速箱电脑位置.. 众泰变速箱电脑位置2017-TNN4G15T[LJ8F3C5D4H** ]
  发动机系统电路图.. 荣威 750 2011- 18K4G [LSJW16G37D** ]
  仪表电路图.. 英菲尼迪日产汽车-QX80英菲尼迪日产汽车-QX80 2016-1[JNKAZ25FXH** ]
  变速箱电脑针脚定义 .. 上海通用GL8 陆尊3.0 自动 GT 7座精英版2008-LZC(3.0)[LSGUD82C2A** ]
以下是五菱相关车型的客服问题,希望对您有帮助
 发动机电脑端子图和通讯线路图..五菱宏光S1 15 L2B [LZWADAGA6F**]
 汽油油表电路图..五菱宝骏 20年 1.5 [LZWADAGAXL**]
 五菱荣光新卡2.0的变速箱分解图..五菱荣光新卡 2023 LZM20B [LZWCAAGB4P**]
 油泵位置..五菱荣光V 2014 1 [1**]
 发动机电脑针脚定义 发动机电脑64➕32的针脚..五菱荣光V 2015-01-14 LMH [LZWADAGA3F**]
 L2B 发动机电脑控制电路图..五菱宏光S 15 L2B发动机 [1**]
 五菱宏光/宏光s全车维修手册SS..五菱宏光/宏光s 2018/2019/2020 [ **]
 13年五菱宏光发动机电脑管脚定义81针..五菱五菱宏光 13 66
 仪表针角图 ..五菱 荣光小卡 2020 L3C [LZWDAAGAXL**]
 自动变速箱的线路图以及自动变速箱电脑板的..五菱宏光S。五菱宏光S。 14 L2B [LZWADAGA7E**]
 空调线路图03SS..五菱宏光S 16 1.2 [.**]
 帮忙找一下这个车的,电脑版针脚图,曲轴位..五菱之光 2015 1 [LZWDAAGA2G**]

Copyright @ 2009 www.car388.com All rights reserved. 蜀ICP备12014226号-2 增值电信增值业务许可证:川B2-20190647 服务电话:028-87038205 87039205 87020205 川公网安备 51010502010015号 公司地址:成都市龙泉驿区经开区南二路309号 鼎峰动力港 企业办公总部基地 12栋
2025-05-10.-.V28**