[返回列表.]    [免费下载畅易手机版APP ]

用户 13670424 **当前提问:找一下安全气囊电路图和针脚图

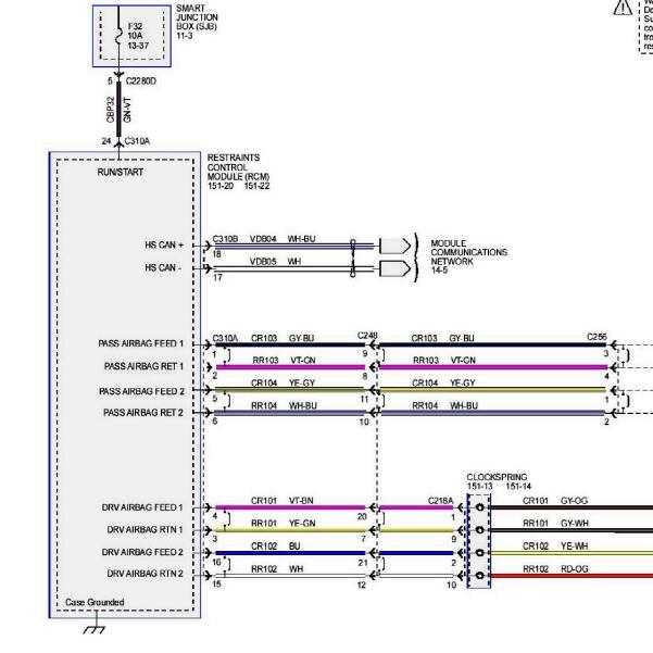
找一下安全气囊电路图和针脚图

.尊敬的用户,欢迎你使用在线客服,你的问题客服人员已为你处理完毕,请下载附件,如有疑问,欢迎和我们联系!2010年林肯领航员气囊电路图2010年林肯领航员气囊针脚定义.

附件:60132469472792.rar


用户 13670424 ***其他客服问题:
test:
  05年富康,小灯电路图.. 雪铁龙富康2005-1[LDC241L276** ]
  麻烦找一下电动尾门电路图和电源电路图.. 宝马X32021-B48B20C[LBV11DU04N** ]
  找一下发动机电脑针脚图.. 林肯MKX2015-9[2LMPJ6K92G** ]
  麻烦找一下BBS备用电池发声器.和电路图.. 沃尔沃XC902018-B4204T23[YV1F10D8J1** ]
  麻烦找一下发动机电脑版供电线束图.. 大乘G602018-JT16N[LFOE5ASEIK** ]
  麻烦找一下保险图解,后部的.. 宝马520li2012-N20B20B[WBAXG1101C** ]
以下是福特相关车型的客服问题,希望对您有帮助
 发动机针脚图..福特嘉年华 2009 1 [LVSHFFML5A**]
 发动机维修手册,正时部分,..福特汽车F-150 SuperCab3.5T 手自一体 四驱 5.5-ft XL Raptor 2018 G(3.5) [1FTFW1RG6K**]
 发动机 控制电路图..福特翼虎 二零零五年一月五 AJ [wfoyu93125**]
 2005年蒙迪欧发动机控制线路图..福特蒙迪欧 2005 2.0 [LVSFBFMC75**]
 涡轮增压电路图..福特翼搏福特翼搏 2013 GTDIQ3 [LVSHKAM0EF**]
 福特猛禽F150全车电路图..福特F150 10 TRITON 6.2L [WU**]
 保险丝图解,以及保险盒个数位置..福特蒙迪欧致胜 2011 2.0T [LVSHBFDC1B**]
 13年福特探险者大灯线路图..福特探险者 2013 3.5
 福特猛禽油泵继电器线路图和位置图有吗..福特猛禽猛禽 14年 6.2排量 [1FTFW1R67E**]
 麻烦技术帮忙找一下发动机舱盖开关电路图..福特嘉年华 2011 ZY [LVSHFAAL9B**]
 燃油泵继电器位置..福特牌福特锐界 2017.11 CAF488WQ5 [LVSHFc7HH3**]
 发动机维修手册..福特WINDSTAR 2002

Copyright @ 2009 www.car388.com All rights reserved. 蜀ICP备12014226号-2 增值电信增值业务许可证:川B2-20190647 服务电话:028-87038205 87039205 87020205 川公网安备 51010502010015号 公司地址:成都市龙泉驿区经开区南二路309号 鼎峰动力港 企业办公总部基地 12栋
2025-01-12.-.V25VHTML-2025-V18-11-5---2-