[返回列表.]    [免费下载畅易手机版APP ]

用户 13504310 **当前提问:雨刷电路图,平台上的颜色对不上

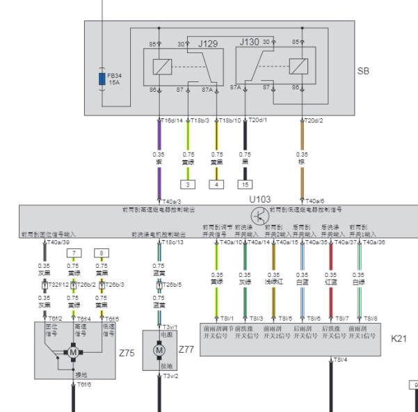
雨刷电路图,平台上的颜色对不上

.尊敬的用户,欢迎你使用在线客服,你的问题客服人员已为你处理完毕,请下载附件,如有疑问,欢迎和我们联系!.2016年北汽绅宝X35雨刮电路图

附件:72502481624777.zip


用户 13504310 ***其他客服问题:
  变速箱机电单元保险丝位置.. 斯柯达野帝2014-CSS[LSVZJ25L1E** ]
  空调压力开关电路图.. 奔腾B702006-暂无[暂无** ]
  车窗的电路图,主要是主门.. 克莱斯勒Patriot [自由客]2.4 手自一体 四驱运动版2014-B(2.4)[1C4NJRCB7E** ]
  钥匙接收的控制模块在哪里,还有这部分的电.. 丰田酷路泽2006-1FZ-FE[JTEHJ09J57** ]
  大灯线路图,10插8根线.. 大众宝来2019-1[LFV2A2159L** ]
  涡轮增压进水回水管拆装.. 宝马520Li2017-N20B20D[LBV5S1108G** ]
以下是绅宝相关车型的客服问题,希望对您有帮助
 维修手册..绅宝95 [YS3F48E4X3**]
 绅宝X35灯光电路图..绅宝X35BJ 16 1.5
 空气悬挂手册和电路图..捷豹X350 XJ 2007 3.0 [SAJAC79M67**]
 找13后绅宝D70全车电路图..绅宝D70绅宝D70 2013 2.0T
 北汽绅宝D60无钥匙启动天线的位置图..绅宝d60 2015 2.0
 360软件安装模块位置和线路图..绅宝D50 2018 A151 [LNBSCCAH6H**]
 网络拓扑图..绅宝D50 2014 4A91A [LNBSCCAK1E**]
 捷豹X350 发动机电脑控制传感器参数..捷豹X350 2006 3.0 [SAJAA89D76**]
 03年萨博95电路图..绅宝萨博95 2003 2.3T [YS3ED49E23**]
 请问客服,此车保养归零如何复位。谢谢了。..绅宝9—3 2.0(B207E) 2002-2011年 2.0(B207E)
 全车电路图..北京汽车X35 2016 A151 [LNBSCUAH4G**]
 绅宝X65全车线路图及手册 SS..绅宝X65 15 [ **]

Copyright @ 2009 www.car388.com All rights reserved. 蜀ICP备12014226号-2 增值电信增值业务许可证:川B2-20190647 服务电话:028-87038205 87039205 87020205 川公网安备 51010502010015号 公司地址:成都市龙泉驿区经开区南二路309号 鼎峰动力港 企业办公总部基地 12栋
2025-05-21.-.V28**VHTML-2025-V18-11-5---2-