[返回列表.]    [免费下载畅易手机版APP ]

用户 15564569 **当前提问:日产艾瑞雅逆变器电路图 安装位置 拆

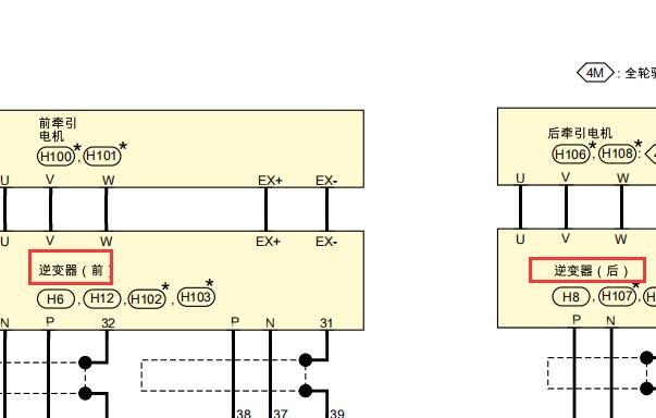
日产艾瑞雅逆变器电路图 安装位置 拆装步骤

.尊敬的用户,欢迎你使用在线客服,你的问题客服人员已为你处理完毕,请下载附件,如有疑问,欢迎和我们联系!2022年日产艾睿雅逆变器电路图安装位置和拆装资料.

附件:37292492494405.zip


用户 15564569 ***其他客服问题:
test:
  大通V90电动踏板控制模块安装位置.. 大通V9020-柴油
  你好帮忙找一下艾瑞雅的前逆变器电路图安装.. 日产艾瑞雅22-D
  找一下空调压力开关的电路图 这是4线的 平台.. 吉利远景X62021-111[111** ]
  你好帮忙查一下艾瑞雅逆变器故障码 P1897 P272A.. 日产艾瑞雅22-D[LGBU2WE80N** ]
以下是日产相关车型的客服问题,希望对您有帮助
 11年轩逸点火锁线路图..日产轩逸 2011 1 [1**]
 麻烦您给我几张尼桑途乐Y61发动机上化油器的..日产途乐 1999 TB42 [JN1TASY61Z**]
 OBD诊断插头电路图..日产日产NV200 14 HR16 [LJNMDV1L8E**]
 这个车前轮外倾角调整的维修手册..日产奇骏 2014 MR20DD [ LGBM4AE4X**]
 横摆率传感器位置图..日产奇骏 2010 1 [LGBM2DE47A**]
 电路图 元件位置图 ..日产GTR 2010 XXX [XXX**]
 16款17年的日产轩逸1.6XE的节气门插头到哪里的..日产轩逸 16 HR16 [LGBH52E02H**]
 变速箱档位开关线路图 ..日产天籁 2010 VQ25 [LGBF1DEOOA**]
 防盗线路图02SS..日产尼桑奇骏 05 [ **]
 骐达故障码B2621的含义..日产骐达 2011 HR16 [LGBB22E06B**]
 cVT变速箱维修资料。系统中找到的资料与变速..日产轩逸DFL7160VBNH2 2018.11 HR16 [LGBH52E00J**]
 汽油泵拆卸..日产汽车Q70L2.5 手自一体 精英版 2015 VQ25HR(2.5) [JNKCY11E6G**]

Copyright @ 2009 www.car388.com All rights reserved. 蜀ICP备12014226号-2 增值电信增值业务许可证:川B2-20190647 服务电话:028-87038205 87039205 87020205 川公网安备 51010502010015号 公司地址:成都市龙泉驿区经开区南二路309号 鼎峰动力港 企业办公总部基地 12栋
2025-01-12.-.V25VHTML-2025-