[返回列表.]    [免费下载畅易手机版APP ]

用户 WZGL汽 **当前提问:雪佛兰萨博班启动机,和发动机舱保

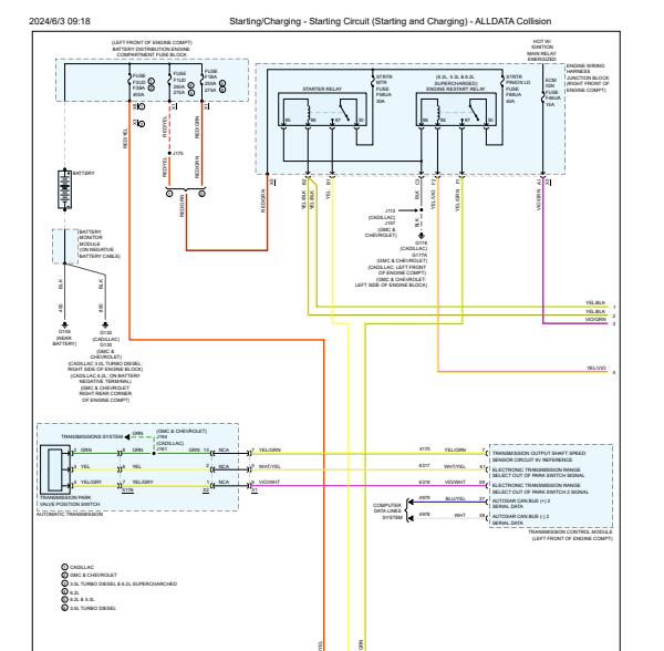
雪佛兰萨博班启动机,和发动机舱保险丝盒线路图

还有转向柱锁电路图

.尊敬的用户,欢迎你使用在线客服,你的问题客服人员已为你处理完毕,请下载附件,如有疑问,欢迎和我们联系!.2023年雪佛兰萨博班启动电路图

附件:32932529528776.zip


用户 WZGL汽 ***其他客服问题:
  起亚索兰托方向锁线路图,智能盒线路图。PDM.. 起亚索兰托11-G4KE 2.4排量[KNAKU8112C** ]
  高压蓄电池电路图 模块位置图.. 保时捷卡宴混合动力2019-EA888[WP1AJ29Y6K** ]
  06年丰田凯美瑞2.0变速箱线路图.. 丰田凯美瑞06-1az
  观致3全车电路图.. 奇瑞观致观致32015-SQRE4G16[LLNC1AAB6F** ]
  帮我找一个凯迪拉克赛威的电视电线模块的电.. 凯迪拉克赛威2011-LNF[LSGDE5393B** ]
  13年吉普牧马人转向角传感器电路图.. 吉普牧马人2013-2131231[2134124345** ]
以下是雪佛兰相关车型的客服问题,希望对您有帮助
 麻烦来一份发动机电脑的针脚定义图..雪佛兰科沃兹 2020 LIV [LSGEN54A2L**]
 中控锁维修线路图..雪佛兰雪佛兰赛欧 2005 中控锁
 16款全新科鲁兹维修手册..雪佛兰全新科鲁兹 2015 L3G [LSGBE5442G**]
 新景程车身模块端子定义..雪佛兰新景程 2014 2HO [LSGVA54R2D**]
 10款景程1.8燃油系统线路图,发动机电脑针脚..雪佛兰景程雪佛兰景程 2010 1.8
 起动机电路图..雪佛兰科鲁兹 2011 LDE [LSGPC54U2B**]
 16科鲁兹外部温度传感器电路图..雪佛兰科鲁兹 16 L3G [LSGBE5447G**]
 J306 J307 J308连接器位置..雪佛兰科鲁兹 2016 L2B [LSGPC52H0G**]
 原车行车记录仪系统维修手册,和相关电路图..雪佛兰开拓者rs 2020 2.0 [未知**]
 GMC 2500/3500和 Chevrolet2500/3500 涡轮增压器控制器..雪佛兰2500/3500 2007 [ **]
 发动机电脑和变速箱电脑电路图..雪佛兰Express3500 2008 6.0L [1GAHG39K58**]
 2015年科鲁兹发动机维修手册......雪佛兰科鲁兹 2015 L2B [LSGPC52H7F**]

Copyright @ 2009 www.car388.com All rights reserved. 蜀ICP备12014226号-2 增值电信增值业务许可证:川B2-20190647 服务电话:028-87038205 87039205 87020205 川公网安备 51010502010015号 公司地址:成都市龙泉驿区经开区南二路309号 鼎峰动力港 企业办公总部基地 12栋
2025-05-05.-.V25