[返回列表.]    [免费下载畅易手机版APP ]

用户 18184457 **当前提问:电子手刹电路图

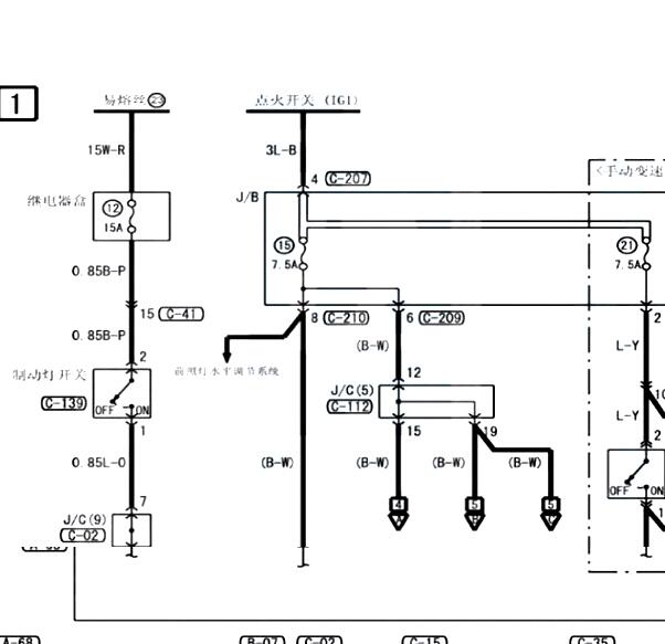
电子手刹电路图

.尊敬的用户,欢迎你使用在线客服,你的问题客服人员已为你处理完毕,请下载附件,如有疑问,欢迎和我们联系!.2019年三菱帕杰罗电子手刹电路图

附件:96712534242643.zip


用户 18184457 ***其他客服问题:
test:
  发动机电脑电路图图和发动机插头代码.. 宝马730li2018-B48B20B 2.0T[WBA7E0108J** ]
  油泵模块位置图和电路图.. 丰田RAV42019-1[LFMK440F0K** ]
  收音机电路图和主机模块位置.. 上汽通用君越1.5T 双离合 20T 领先型2018-LFV(1.5)[LSGZJ5353J** ]
  右电动中门电路图.. 金杯 阁瑞斯金杯 阁瑞斯2010-2TR 2.7L[LSYAABCG7A** ]
  SAM电脑安装位置和插头定义.. 奔驰 smart Fortwo 2014- 3B21(132 910) [WMEEJ8AA1E** ]
  动力系统电路图.. 长安欧尚A6002023-11-14-SC6458FAEBEV[LS6C3E0C5M** ]
以下是三菱汽车相关车型的客服问题,希望对您有帮助
 胎压监测电路图..三菱汽车Pajero [帕杰罗]3.0 手自一体 GLS真皮 2018 6G72(3.0) [JE4MR72M1L**]
 三菱欧蓝德机舱线束分布图..三菱汽车工业株式会社名古屋制造所欧蓝德 2014 4J12 [JE3AZ5936E**]
 自动变速箱油更换。排气歧管拆装。..三菱汽车Pajero Sport [帕杰罗·劲畅]3.0 手自一体 豪华导航版 2011 6B31(3.0) [MMEMU71X2C**]
 钥匙电池更换..三菱汽车Pajero [帕杰罗]3.8 手自一体 中东版 2017 6G75(3.8) [JE4NR62RXJ**]
 求2005款三菱帕杰罗空调系统电路图..三菱汽车帕杰罗 2005 6G72 [LL62HBC0X5**]
 欧兰德09款EX电路图?s..三菱汽车欧兰德EX 2009 1
 三菱欧蓝德卤素近光灯,小灯,无法关闭,求..三菱汽车工业株式会社名古屋制作三菱欧蓝德 2014-03 4J11 [JE3AZ592XE**]
 2015年三菱欧蓝德维修手册·..三菱汽车工业株式会欧蓝德 2015年 10月 2360ml [JE3AZ2936G**]
 空调模块电路图 全车维修手册..三菱汽车Grandis [格蓝迪]2.4 自动 6座精英版 2007 4G69(2.4) [JE3AA48H57**]
 分动箱电路图..三菱汽车Pajero [帕杰罗]3.0 手自一体 精英超越版 2013年7月 6G72(3.0) [JE4NR52M0E**]
 找一下这个室内保险丝盒,二号保险丝都给哪..三菱汽车Pajero [帕杰罗]3.8 手自一体 中东版 2017 6G75(3.8) [JE4NR62R8K**]
 帮我找下这个车的防盗,中控,转向电路图,..三菱汽车Pajero [帕杰罗]3.8 手自一体 五门尊贵版 2007 6G75(3.8) [JE4NR52R28**]

Copyright @ 2009 www.car388.com All rights reserved. 蜀ICP备12014226号-2 增值电信增值业务许可证:川B2-20190647 服务电话:028-87038205 87039205 87020205 川公网安备 51010502010015号 公司地址:成都市龙泉驿区经开区南二路309号 鼎峰动力港 企业办公总部基地 12栋
2025-01-12.-.V25VHTML-2025-