[返回列表.]    [免费下载畅易手机版APP ]

用户 13973082 **当前提问:制动液传感器电路图

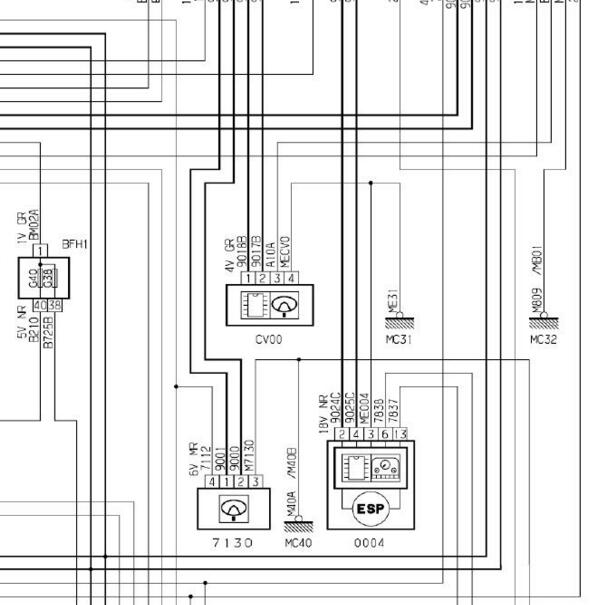
制动液传感器电路图

.尊敬的用户,欢迎你使用在线客服,你需要的资料在《畅易汽车维修技术支持平台》是有的,请直接登陆查询!查询方法:国内厂家 ->东风雪铁龙-C5-2011-2012[ 线路图 ] ->驾驶辅助装置 ->稳定性控制.2011-2012年雪铁龙C5制动液传感电路图


用户 13973082 ***其他客服问题:
test:
  obd,can线,节点安装位置,发一下,谢谢.. 日产汽车G25-Sedan [G25-三厢]2.5 手自一体 运动版2010-VQ25HR(2.5)[JNKDV61E0B** ]
  发动机电脑版针脚图.. 保时捷 Cayenne保时捷 Cayenne2015-CJT 3.0T[WP1AG2927F** ]
  蓄电池接线盒安装位置。.. 路虎 发现神行 2016- 204PT [L2CCA2BG9G** ]
  10年别克君越3.0发动机针脚图.. 上海通用君越2010-LF1[LSGGF59B5A** ]
  空调伺服马达位置发微信上,谢谢.. 华晨宝马530Li2.0T 手自一体 尊享型 M运动套装2019-B48B20D(2.0)[LBVKY5104K** ]
  斯巴鲁力狮改的发动机EJ20,空气泵电路图.. 斯巴鲁力狮2010-EJ20[JF1BM92D9A** ]
以下是神龙汽车相关车型的客服问题,希望对您有帮助
 电子方向助力电路图..神龙汽车3081.6 手动 乐享版优尚型 2014 NFP(1.6) [LDC953T28E**]
 雨刮喷水电机保险丝位置..神龙汽车世嘉-三厢1.6 手自一体 舒适型 2009 N6A 10XA3A PSA(1.6) [LDCC13L309**]
 需要找发动机正时资料..神龙汽车307-三厢2.0 手自一体 Prestige 2004 PSA RFN 10LH47(2.0) [LDC913W354**]
 标致3008 PSF1分配盒针脚图,BSI1分配盒针脚图..神龙汽车30081.6THP 手自一体 经典版 2016 10UF01 5G02(1.6) [LDCT81248G**]
 该车右前门升降线路图,实车是2根线的,资..神龙汽车世嘉-三厢1.6 手动 舒适型 2011 N6A 10XA3A PSA(1.6) [LDCC13L25A**]
 发动机扭矩..神龙汽车5081.6THP 手自一体 致臻版 2015 10UF01 5G02(1.6) [LDCB13243F**]
 ABS接脚定义..神龙汽车3081.6 手自一体 乐享版风尚型 2014 NFP(1.6) [LDC953T39G**]
 空调系统电路图..神龙汽车4081.6 手动 豪华版 2011 N6A 10XA3A PSA(1.6) [LDC943L20B**]
 标致3008发动机ECU针脚图..神龙汽车30081.6THP 手自一体 经典版 2016 10UF01 5G02(1.6) [LDCT81248G**]
 麻烦帮忙查一下这个车转向灯线路图,感谢..神龙汽车4082.0 手动 舒适版 2013 PSA RFN 10LH3X(2.0) [LDC943X29E**]
 油泵继电器和保险丝位置..神龙汽车全新爱丽舍1.6 手动 舒适型 2017 NFP(1.6) [LDC643T23H**]
 点火线圈线路图,四线的..神龙汽车207-三厢1.4 手动 品乐版 2010 TU3AF(1.4) [LDC613P20A**]

Copyright @ 2009 www.car388.com All rights reserved. 蜀ICP备12014226号-2 增值电信增值业务许可证:川B2-20190647 服务电话:028-87038205 87039205 87020205 川公网安备 51010502010015号 公司地址:成都市龙泉驿区经开区南二路309号 鼎峰动力港 企业办公总部基地 12栋
2025-01-12.-.V25VHTML-2025-V18-11-5---2-