[返回列表.]    [免费下载畅易手机版APP ]

用户 13906866 **当前提问:前大灯线路图

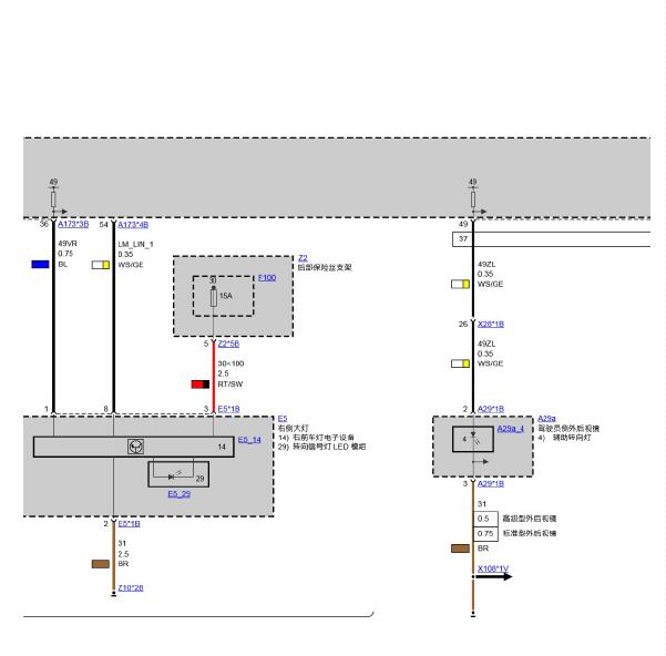
前大灯线路图

.尊敬的用户,欢迎你使用在线客服,你的问题客服人员已为你处理完毕,请下载附件,如有疑问,欢迎和我们联系!.2018年宝马320LI大灯电路图

附件:48891676051368.rar


用户 13906866 ***其他客服问题:
test:
  我要这个车资料.. 神州牌神州牌1111-TZ210XS25[LC9FBE2C8J** ]
  电路图上没有找到燃油泵1211在哪里.. 标致3082019-1[1** ]
  81脚的电脑板定义图.. 铃木北斗星X52016-K14B-D[LVFAD2AD7K** ]
  TBOX电路.. 一汽轿车H51.8TD 手自一体 智联旗领版2020-CA4GC18TD-30(1.8)[LFPH4ACP6M** ]
  网络通讯线路图.. 吉利帝豪-14-JLγ-4G15[L6T7722S5E** ]
  空调加热电路能不能找到.. 东南DX32018-1111[LA9AB2AB7K** ]
以下是华晨宝马相关车型的客服问题,希望对您有帮助
 宝马E60.发动机机油油位传感器电路图..华晨宝马E60 2009 N46 [LBVNT17089**]
 发动机正 时..华晨宝马320 2007年9月 N46B20CB [LBWA96027S**]
 倒车影像电路图..华晨宝马汽车有限公司宝马525li 09 n52b25be [lbvnu39099**]
 2009宝马3系E90,变速箱系统电路图,变速箱电脑..华晨宝马318i 2009 * [LBVPG58009**]
 发动机到变速箱的PT Con2的识别图。X860和X821的..华晨宝马320Li2.0T 手自一体 M运动曜夜版 2019 B48B20C(2.0) [LBV8W3108K**]
 需要发动机大修,曲轴瓦、连杆瓦、缸盖螺栓..华晨宝马318i 2004年 055226 [LBVAY97064**]
 驾驶员侧玻璃升降主开关电路图..华晨宝马520Li 2010.07 N46B20CD [LBVPZ1103A**]
 2.0L排量,帮忙查下发动机正时链条图,急用..华晨宝马X1 2013 N46B20CC汽油机
 左前杠位置到左前轮悬挂..华晨宝马BMWX1 2013 N46B20E [LBVVZ1101E**]
 开空调鼓风机不转压缩机不工作:代码801203-80..华晨宝马525-F18525Li-N20 2014.04 N20 [后7位:**]
 查一下宝马530i 驾驶室29号10安培 保险丝给什..华晨宝马宝马530i 2003年12月 BMW7301 BMW530i [LBVNA79044**]
 进口宝马3系 325i 发动机线速图..华晨宝马325I 2006年6月 N52B25BF [LBVVB59066**]

Copyright @ 2009 www.car388.com All rights reserved. 蜀ICP备12014226号-2 增值电信增值业务许可证:川B2-20190647 服务电话:028-87038205 87039205 87020205 川公网安备 51010502010015号 公司地址:成都市龙泉驿区经开区南二路309号 鼎峰动力港 企业办公总部基地 12栋
2025-01-12.-.V25VHTML-2025-