[返回列表.]    [免费下载畅易手机版APP ]

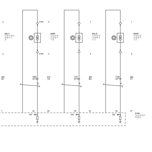
用户 18487160 **当前提问:别克安科拉制动系统电路图

别克安科拉制动系统电路图

.尊敬的用户,欢迎你使用在线客服,你的问题客服人员已为你处理完毕,请下载附件,如有疑问,欢迎和我们联系!2019年别克昂科拉制动系统电路图.

附件:61122563985120.rar

您给我发的。 不齐全我制动开关。制动灯那些都没有的都没有哟

.尊敬的用户,欢迎你使用在线客服,客服重新给您查找了制动开关和制动灯电路图,你的问题客服人员已为你处理完毕,请下载附件,如有疑问,欢迎和我们联系!.

附件:89562563985648.rar


用户 18487160 ***其他客服问题:
  胎压监测模块位置.. B比亚迪宋DM2019-1[LGXCD4C41K** ]
  捷豹XF雨刮喷水电路图.. 捷豹XF2012-GF[SAJAA06H7C** ]
  加速踏板电路图.. 东方东风小康2021-无[LVPA5B5B4M** ]
  查询一下奥迪A7后扰流板控制单元位置.. 奥迪奥迪A72020-DLH[WAURFCF23L** ]
以下是通用相关车型的客服问题,希望对您有帮助
 悍马 电动后视镜电路图..通用悍马H2 2007 6.2 V8 [5GRGN23808**]
 保险丝盒电路图,保险到用电器..通用凯迪拉克xts 2016 ltg 2.0l [lsggh55log**]
 五菱宏光S 中控锁和车窗电路..通用五菱宏光S 2020 B15 [LZWADAGA2K**]
 仪表插头针脚线路图。 仪表与里程表传感器..上海通用汽车有限公司别克凯越 13.09 L2B [LSGJA52HXD**]
 麻烦告诉我一下大灯继电器在哪..启东顺发汽修厂别克君威 03年4月
 要发动机电路图 电脑插脚定义..通用雪弗莱 鲁米那 3.8 1993 V6
 正时安装及扭力数据,缸盖安装及扭力数据..上海通用别克君威 2012 LTD [LSGGA54Y9H**]
 雨刮器外面保险盒说明,帮我找一下雨刮器的..通用汽车Sierra 1500 [西拉 1500]6.2 自动 2016 L86(6.2) [3GTU2PEJ8G**]
 09年别克凯越完整的发动机控制单元针脚图..通用别克别克凯越 09年 F16D3 [LSG**]
 我们的问题你点火防盗锁死..上海通用别克君越 07 LE5
 空调电路图%%%176623607@qq.com..通用汽车H33.5 自动 2005 L52(3.5) [5GTDN13636**]
 帮我查下别克GL8。3.0的12年11月的喷油电路,..别克别克GL8 12年 LFW [LSGUA84B7C**]

Copyright @ 2009 www.car388.com All rights reserved. 蜀ICP备12014226号-2 增值电信增值业务许可证:川B2-20190647 服务电话:028-87038205 87039205 87020205 川公网安备 51010502010015号 公司地址:成都市龙泉驿区经开区南二路309号 鼎峰动力港 企业办公总部基地 12栋
2025-05-21.-.V28**VHTML-2025-V18-11-5---2-