[返回列表.]    [免费下载畅易手机版APP ]

用户 惠成 **当前提问:散热器风扇电路图

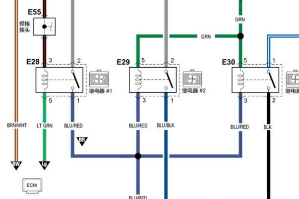
散热器风扇电路图

.尊敬的用户,欢迎你使用在线客服,抱歉没有2012年羚羊的资料。客服处理了铃木雨燕同款G13B发动机的冷却风扇电路图资料参考,请下载附件查看,给您带来不便,请谅解!2013年长安铃木雨燕G13B发动机冷却风扇电路图.

附件:95832572982270.zip


用户 惠成 ***其他客服问题:
  变速箱can跨接线 节点位子在哪 .. 路虎发现32004-406PN[SALAD24486** ]
  倒车镜调节电路图.. 东风日产轩逸09-2.0
  别克GL8右侧电动中门电路图.. 别克GL82011-3.0[LSGUA83B1B** ]
  发动机电脑版针脚定义图.. 吉利领克领克062020-.[。** ]
以下是长安铃木相关车型的客服问题,希望对您有帮助
 发动机电脑针脚图..长安铃木天语SX4 2009 M16A [LS5A3ABE69**]
 玻璃窗升降电路图..长安铃木羚羊 2008年 JL47Q1 [LS5H2CBRX8**]
 发动机电路图..长安铃木雨燕 2008年8月29日 M15A [LS5W33DE78**]
 09年铃木雨燕BCM电路图..长安铃木雨燕 2009 JL474Q8 [LS5W3ABR89**]
 前部事故,换了两前大灯,右前大灯近光灯有..长安铃木维特拉 2016 k14c [ls5a33hr2g**]
 我想要发动机正时图..长安铃木天语SX4 2012年1月11日 M16A [LS5A3ADE5C**]
 天语的天窗匹配方法..长安铃木天语 2010 M16A4
 雨燕的ABS电路图..长安铃木雨燕 14 M15A [LS5W3ABE7E**]
 全车电路图..长安铃木利亚纳 11年 不详 [不详**]
 大灯线路图1份..长安铃木铃羊 2010年 大灯线路图
 铃木雨燕电子转向电路图..长安铃木雨燕 11年12月 G13B [LS5W3ABR7B**]
 发动机电脑线路图..长安铃木雨燕 2010、12 JL474Q8 [LS5W3ABR8A**]

Copyright @ 2009 www.car388.com All rights reserved. 蜀ICP备12014226号-2 增值电信增值业务许可证:川B2-20190647 服务电话:028-87038205 87039205 87020205 川公网安备 51010502010015号 公司地址:成都市龙泉驿区经开区南二路309号 鼎峰动力港 企业办公总部基地 12栋
2025-05-21.-.V28**VHTML-2025-V18-11-5---2-