[返回列表.]    [免费下载畅易手机版APP ]

用户 韩殿 **当前提问:车身电脑插头图解 转向灯电路图

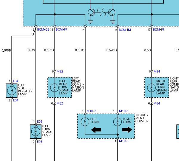
车身电脑插头图解 转向灯电路图

.尊敬的用户,欢迎你使用在线客服,抱歉该车没有车身电脑针脚资料,客服处理了该车转向灯和车身电路图参考,你的问题客服人员已为你处理完毕,请下载附件,如有疑问,欢迎和我们联系!2004年现代酷派转向灯和车身电路图.

附件:11622577613690.zip


用户 韩殿 ***其他客服问题:
  冷却液泵,冷却液温度传感器的电路图儿,还.. 本田雅阁混动版2016-1[LHGCR6635H** ]
  东风风光580全车电路图 还有无钥匙启动控制.. 东风风光风光5802016-07-SFG15T[LVZA53P99G** ]
  全车电路图.. 东风雷诺科雷嘉17-M5R[LHMA4DGN4H** ]
  全车电路图.. 一汽丰田卡罗拉19-8NR[11111** ]
  车身电脑E插头的28针脚电路图.. JEEP牧马人22-N[1C4HJXEN6N** ]
  变速箱系统电脑诊断的故障码 维修排除方法.. 比亚迪秦 混动16-BYD476ZQA[LGXC76C30G** ]
以下是现代相关车型的客服问题,希望对您有帮助
 波箱线路图..现代索拉塔 13 4 [1**]
 o7款伊兰特电脑94针和40针的哪几根是电脑供电..现代伊兰特 08 G4ED [LBEXDBFB58**]
 室内灯电路图..现代汽车Equus [雅科仕]3.5 自动 加长型 2006 G6AU/CU(3.5) [KMHGV11C09**]
 发动机维修手册..现代全新胜达 2011.05 G4KE [KMHSH81B1B**]
 全车电路图 这是辆进口车 4.6排量 雅..现代雅科仕 EQUUS 2009/10 G8BA [KMHGH41F4A**]
 整车维修手册..现代维拉克斯 2008年 G6DA [KMHNU81C59**]
 起动机无反应,需要查询启动继电器控制电路..现代领动 2018 G4LD [LBEADADC3J**]
 找一下胎压复位的资料..现代索纳塔 2017 G4FJ [LBELFAFC7H**]
 11年,悦动1.4排量的手动变速箱拆装..现代悦动 2011 1.4
 BCM针脚图..现代悦动 18 G4FG [LBE2DAFB8K**]
 转向助力的电路图..现代瑞奕 2014 G4FC [LBERCBFB7E**]
 帮我找这个车的仪表针脚图..现代瑞纳 2017 1 [LBECBACB8J**]

Copyright @ 2009 www.car388.com All rights reserved. 蜀ICP备12014226号-2 增值电信增值业务许可证:川B2-20190647 服务电话:028-87038205 87039205 87020205 川公网安备 51010502010015号 公司地址:成都市龙泉驿区经开区南二路309号 鼎峰动力港 企业办公总部基地 12栋
2025-05-21.-.V28**VHTML-2025-V18-11-5---2-