[返回列表.]    [免费下载畅易手机版APP ]

用户 mengling **当前提问:雨刮电路图发我

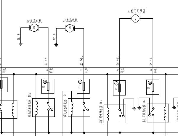
雨刮电路图发我

.尊敬的用户,欢迎你使用在线客服,抱歉没有2015年CS10的资料,客服处理了2016年CS10的雨刮电路图资料参考。你的问题客服人员已为你处理完毕,请下载附件,给您带来不便,请谅解!2016年长丰猎豹CS10雨刮电路图.

附件:19372595322201.zip


用户 mengling ***其他客服问题:
test:
  实际格栅空气活门A位置传感器电路图.. 福特锐界16年-CAF488WQ5[LVSHFC0GH1** ]
  北京现代朗动发动机针脚定义.. 北京现代朗动14年-G4FG[LBEMDAEC4E** ]
  变速箱电路图,供电通讯 还有保险丝盒定义.. 福特锐界2021-1[LVSHFCACON** ]
  发动机针脚定义图(32 48 32针).. 东风风神H310年-N6A 10FX3A PSA [LGJE3FE2XA** ]
  仪表针脚定义图发我.. 马自达长安福特马自达 马自达长安福特马自达2012-1[LVSFDAAB8C** ]
  车身保险丝盒针脚定义图和17号保险丝的电路.. 福特福睿斯2015年1月-CAF7154A5[LVSHFFAL6F** ]
以下是广汽长丰相关车型的客服问题,希望对您有帮助
 德尔福MT22.1发动机电脑板针脚图..广汽长丰汽车皮卡 11年 491Q
 节气门线路图01SS..广汽长丰三菱 帕杰罗 2011 3.0 6G72 [LL62H4C02B**]
 四驱电路图..广汽长丰猎豹猎豹 11 4G94
 电子手刹模块位置..广汽长丰CS102.0T 双离合 豪华型 2016 4G63S4T(2.0) [LN86GABF0G**]
 长丰猎豹奇兵全车电路图..广汽长丰猎豹奇兵 2011 4RB3 [LL6652B0XB**]
 仪表电路图,实车3个插头16+16+24的..广汽长丰帕杰罗V733.0 手自一体 GLS 2011 6G72(3.0) [LL62HBC07B**]
 电动门锁主驾驶电路图。..广汽长丰帕杰罗V733.0 手自一体 GLX 2011 6G72(3.0) [LL62HBC04B**]
 要这个车的正时资料..广汽长丰黑金刚2.4 手动 四驱舒适版 2008 4G64S4M(2.4) [LL6654B05C**]
 燃油泵安装位置..广汽长丰帕杰罗V773.8 自动 GLS 2005 6G75(3.8) [LL62HBG075**]
 4驱模块在那..广汽长丰奇兵2.2 手动 四驱 2008 4RB3(2.2) [LL6654B05A**]
 四驱控制电脑针脚图 ..广汽长丰帕杰罗V733.0 手动 GL 2008 6G72(3.0) [LL62H4C09A**]
 整车保险丝位置和说明..广汽长丰CS102.0T 手动 至尊版 2015 4G63S4T(2.0) [LN86GCBF9F**]

Copyright @ 2009 www.car388.com All rights reserved. 蜀ICP备12014226号-2 增值电信增值业务许可证:川B2-20190647 服务电话:028-87038205 87039205 87020205 川公网安备 51010502010015号 公司地址:成都市龙泉驿区经开区南二路309号 鼎峰动力港 企业办公总部基地 12栋
2025-01-12.-.V25VHTML-2025-