[返回列表.]    [免费下载畅易手机版APP ]

用户 youweiq **当前提问:仪表电路图

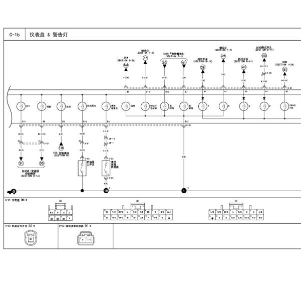
仪表电路图

.尊敬的用户,欢迎你使用在线客服,你的问题客服人员已为你处理完毕,请下载附件,如有疑问,欢迎和我们联系!.2004年起亚欧菲莱斯仪表电路图

附件:28902462124993.zip


用户 youweiq ***其他客服问题:
test:
  雨刮电路图.. 奔驰汽车GL 350 CDI BlueTEC 4MATIC [美规]3.0T 自动 美规版2008-642 820(3.0)[4JGBF2FE4B** ]
  变速箱电脑电路图发我一下,档位不显示,马.. 奔驰Vito [威霆1998-1[WDF6381941** ]
  变速箱电路图.. 日产朗逸2009-1[LGBH12E039** ]
  网关,仪表钥匙锁的电路图.. 保时捷卡宴2004- M4800 [WP1AB29P94** ]
  转向灯电路图,组合开关电路图.. 起亚欧菲莱斯2003- G6CU [KNALD22456** ]
  变速箱电路图.. 起亚欧菲莱斯2008- G6EA [KNALD22648** ]
以下是起亚汽车相关车型的客服问题,希望对您有帮助
 玻璃升价 升降开关电路图 ..起亚汽车Sportage [狮跑]2.7 手自一体 四驱版 2007 G6BA(2.7) [KNAJE55397**]
 帮忙查一下气门间隙..起亚汽车Sorento L [索兰托L]2.4GDI 手自一体 两驱运动版5座 2015 G4KJ(2.4) [KNAPG8131F**]
 发动机电脑通讯线到obd几脚..起亚汽车Carnival [嘉华]2.5 自动 2002 K5(2.5) [KNAUP75234**]
 ,索兰托3.5发动机高压线怎么排序..起亚汽车Sorento [索兰托]3.5 手自一体 四驱 2005 G6CU(3.5) [KNAJC523X6**]
 发动机电路图针脚定义,..起亚汽车Sorento [索兰托]2.4 手自一体 5座汽油舒适版 2009 G4KE(2.4) [KNAKU8113A**]
 要发动机故障码 U1112的解析..起亚汽车Sorento [索兰托]2.4GDI 手自一体 7座豪华版 2013 G4KJ(2.4)
 尾门电路图,尾门继电器位置 ..起亚汽车Opirus [欧菲莱斯]2.7 手自一体 舒适型 2008 G6EA(2.7) [KNALD22677**]
 预热线路..起亚汽车Sorento [索兰托]2.2T 手自一体 5座柴油至尊版 2010 D4HB(2.2) [KNAKU8140C**]
 油箱盖,玻璃升降,主驾驶门模块电路图,最..起亚汽车VQ [威客]2.7 手自一体 7座舒适版 2010 G6EA(2.7) [KNAMH8127E**]
 节气门电路图发一下..起亚汽车Opirus [欧菲莱斯]3.5 手自一体 2003 G6CU(3.5) [KNALD22434**]
 C1259 C1261故障码处理方法..起亚汽车Carens [佳乐]2.0 手自一体 5座标准版 2013 G4NA(2.0) [KNAHU8126G**]
 发动机针脚..起亚汽车Sorento [索兰托]2.4 手自一体 5座汽油舒适版 2009 G4KE(2.4) [KNAKU8114A**]

Copyright @ 2009 www.car388.com All rights reserved. 蜀ICP备12014226号-2 增值电信增值业务许可证:川B2-20190647 服务电话:028-87038205 87039205 87020205 川公网安备 51010502010015号 公司地址:成都市龙泉驿区经开区南二路309号 鼎峰动力港 企业办公总部基地 12栋
2025-01-12.-.V25VHTML-2025-