[返回列表.]    [免费下载畅易手机版APP ]

用户 盛世 **当前提问:电动座椅电路图

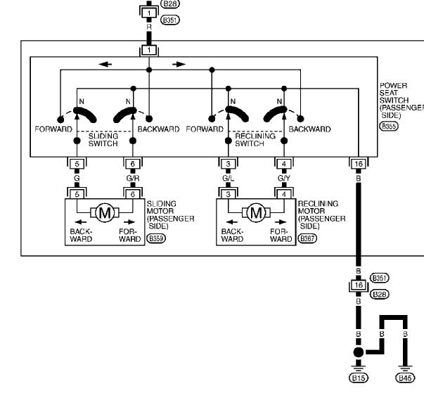
电动座椅电路图

.尊敬的用户,欢迎你使用在线客服,你的问题客服人员已为你处理完毕,请下载附件,如有疑问,欢迎和我们联系!.2003年英菲尼迪FX35电动座椅电路图

附件:46392620412110.zip


用户 盛世 ***其他客服问题:
test:
  捷豹XJL正时校对方法.. 捷豹xjl2013-306PS[SAJAJ26H7D** ]
  雷克萨斯GX470变速箱控制系统电路图.. 雷克萨斯GX4702002-2UZ[JTJBT20X64** ]
  发动机正时,和凸轮轴正时,大修发动机螺丝.. 奥迪奥迪a6l2009-BPJ[LFV3A24F89** ]
  法拉利458点火线圈部分电路图.. 法拉利法拉利4582011-F136FB[ZFF67NHE9B** ]
  CAN通讯电路图,整车.. 英菲尼迪FX352003-VQ35DE[JNRAS08U55** ]
以下是英菲尼迪相关车型的客服问题,希望对您有帮助
 英菲尼迪G37的敞篷车顶的维修手册..英菲尼迪G37 10-7 3.6 [JNKCV66E5A**]
 英菲尼迪EX35ABS电路图,座椅及方向管柱电路..英菲尼迪EX35 2010 3.0
 要一份16年英菲尼迪Q50L副驾驶座椅占用控制单..英菲尼迪Q50L 2016-8 27A4 [LGBW1PE00G**]
 您好 有没有15款英菲尼迪Q50电路图维修手册..英菲尼迪Q50 2015 3.5
 油门踏板电路图..英菲尼迪QX50英菲尼迪QX50 2015 VQ25 [LGBW2DE46F**]
 08年英菲尼迪电动车窗电路图..英菲尼迪FX35 08 VQ35DE [JNKAS05FX8**]
 英菲尼迪Q70电路图..英菲尼迪Q70 14 VQ25
 小灯电路图..英菲尼迪ex25 10年 VQ25 [JNKDJ05E9A**]
 找行李箱开启电路的电路图..英菲尼迪FX35 2011 3.5
 雨刷电路图..英菲尼迪FX35 2008年12月 VQ35 [JNKAS15F99**]
 玻璃控制电路图..英菲尼迪QX56 2012 VD56 [JN8AZ2NE4C**]
 ex35门玻线路图及天窗线路图.门玻不工作天窗..英菲尼迪EX35 2011 VQ35 [JNKAS15F4B**]

Copyright @ 2009 www.car388.com All rights reserved. 蜀ICP备12014226号-2 增值电信增值业务许可证:川B2-20190647 服务电话:028-87038205 87039205 87020205 川公网安备 51010502010015号 公司地址:成都市龙泉驿区经开区南二路309号 鼎峰动力港 企业办公总部基地 12栋
2025-01-12.-.V25VHTML-2025-