[返回列表.]    [免费下载畅易手机版APP ]

用户 15164221 **当前提问:威驰发动机电脑电路图和管脚定义

威驰发动机电脑电路图和管脚定义

.尊敬的用户,欢迎你使用在线客服,你的问题客服人员已为你处理完毕,请下载附件,如有疑问,欢迎和我们联系!2006年丰田威驰3SZ发动机电路图.

附件:42212630168656.rar

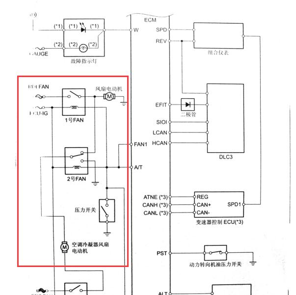
不一样 我的车是两个风扇的

.尊敬的用户,欢迎你使用在线客服,客服重新给您查找了两个风扇的电路图,请下载附件,如有疑问,欢迎和我们联系!2006年丰田威驰3SZ发动机两个风扇电路图.

附件:23272630165386.rar


用户 15164221 ***其他客服问题:
  发动机电脑和防盗之间通讯电路图.. 丰田凯美瑞2023-M20C[LVGB674K9P** ]
  发动机舱保险丝盒里有三个插头 一个蓝色14.. 三菱欧蓝德2019-4J11[LL66HAB07K** ]
  帮忙找一个故障代码含义 维修手册 P0600E1 .. 奔驰C260L2023-1.5 [LE4AG4CB5P** ]
  四驱电路图,带继电器的那种.. 日产奇骏2003-QR25[JN1TBNT30Z** ]
以下是天津一汽丰田相关车型的客服问题,希望对您有帮助
 小灯电路图..丰田威驰 2010 1ZR-FE [LFMAP90A7A**]
 05年丰田皇冠空调和音响电路图..天津一汽丰田皇冠tv7300r 2005年11月份 3GR [LTVBG87485**]
 天津一汽丰田花冠发动机电脑管脚图..天津一汽丰田花冠 06 1zz [LTVBR22E86**]
 我需要丰田花冠ABS的电路图..天津一汽丰田丰田花冠 2013款 1.6L 1ZR [LFMAP22CXD**]
 发动机正时..丰田威驰 2011 2NZ [LFMAU92AXB**]
 F58车内天线、M36车内天线、M37天线、M10车内天..天津一汽丰田丰田奕泽 2019/07 M20A [LFMCM1CX9K**]
 1.5L 3SZ发动机正时链条安装步骤和对正时打方..一汽丰田威驰 07-02 3SZ
 威驰风扇电路图..天津一汽丰田威驰 06 3SZ
 11年丰田卡罗拉CVT波箱线路图 系统上的对不上..天津一汽丰田汽车有限公司卡罗拉 2011 2ZR [LFMARE2C5B**]
 丰田威驰仪表播头定义..一汽丰田威驰 2014 4NR [LFMA7E2A1E**]
 现在我修一辆水淹车,需要全车电路图,平台..天津一汽丰田新卡罗拉 2016年4月 1ZR [LFMAP86C6G**]
 丰田威驰油泵继电器位置..天津一汽丰田威驰 2014 5NR [LFMA8E2A8E**]

Copyright @ 2009 www.car388.com All rights reserved. 蜀ICP备12014226号-2 增值电信增值业务许可证:川B2-20190647 服务电话:028-87038205 87039205 87020205 川公网安备 51010502010015号 公司地址:成都市龙泉驿区经开区南二路309号 鼎峰动力港 企业办公总部基地 12栋
2025-05-06.-.V25