[返回列表.]    [免费下载畅易手机版APP ]

用户 海东 **当前提问:电子进气门正时控制模块在哪个位置

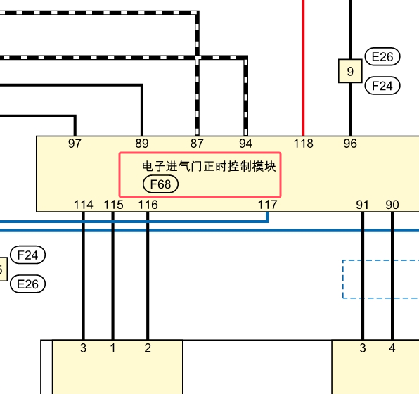
电子进气门正时控制模块在哪个位置

.尊敬的用户,欢迎你使用在线客服,你需要的资料在《畅易汽车维修技术支持平台》是有的,请直接登陆查询!查询方法:国内厂家 -> 东风日产-轩逸(Sylphy)-新蓝鸟-2019-2020[ 线路图 ] - >线束图 -> 发动机控制线束 2019年日产轩逸电子进气门正时控制模块位置2019年日产轩逸电子进气门正时控制模块位置.


用户 海东 ***其他客服问题:
  空气混合风挡控制伺服马达(乘客侧)位置.. 丰田汽车LS460L4.6 手自一体 加长版2006-1UR-FE(4.6)[JTHGM46F97** ]
  倒车灯和刹车灯电路图.. 长安福特马自达蒙迪欧致胜2.3 手自一体 时尚型2010-L3(2.3)[LVSHBFAF8A** ]
  帮我找一下倒车影像电路图.. 比亚迪宋2020-1[1** ]
  轮速传感器电路图.. 奔驰汽车ML 350 4MATIC3.5 手自一体 四驱豪华型2008-272 967(3.5)[WDCBB8GB1A** ]
  变速箱电脑位置和电路图.. 上海汽车MG6 Fast-Back1.8T 手自一体 GT超值版2013-18K4G(1.8)[LSJW24G3XD** ]
  换挡模块在什么位置.. 广汽乘用车GS51.5T 手自一体 270T 尊贵版2019-4A15J1(1.5)[LMWDT1G8XK** ]
以下是东风日产相关车型的客服问题,希望对您有帮助
 机舱电源分配模块继电器R8、R20、R17、R18号继..东风日产骊威 13 HR16 CVT波箱 [LGBK42E09D**]
 需要08款东风日产轩逸BCM所有电路图针脚图及..东风日产轩逸 2008 2.0
 曲轴位置传感器维修索引-我主要是看检修过..东风日产天籁2.0 无级 XE 标准版 2011 MR20DE(2.0) [LGBF1AE05B**]
 09年骊威手动空调电路图..东风日产骊威 2009 HR16DE [LGBK22E769**]
 尼桑楼兰空调电路图..东风日产楼兰 2015.10 QR25 [LGBR4DE47F**]
 发动机电路图..东风日产骐达 2010 HR16
 找一下发动机电脑版的针脚定义图..东风日产天籁 2019 2.0 [LGBF7AE08K**]
 该车CAN通讯针脚定义及保险丝安装位置中文说..东风日产轩逸 07款 MR20 [LGBH1EA027**]
 11款骐达自动空调电路图..东风日产骐达 10 问问 [2222**]
 新款骐达气囊数据..东风日产新款骐达 2017 HR16 [LGBG42E04H**]
 自动空调电路图..东风日产轩逸经典 2014 HR10 [LGBH12E20E**]
 日产14代轩逸,变速箱模块,abs模块,集成供..东风日产日产轩逸 2021 01 Hr16 [LGBH92E09M**]

Copyright @ 2009 www.car388.com All rights reserved. 蜀ICP备12014226号-2 增值电信增值业务许可证:川B2-20190647 服务电话:028-87038205 87039205 87020205 川公网安备 51010502010015号 公司地址:成都市龙泉驿区经开区南二路309号 鼎峰动力港 企业办公总部基地 12栋
2025-05-20.-.V28**VHTML-2025-V18-11-5---2-