[返回列表.]    [免费下载畅易手机版APP ]

用户 chenchan **当前提问:蒸发系统吹洗泵电路图

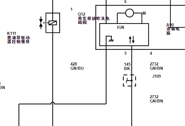
蒸发系统吹洗泵电路图

怎么样

.尊敬的用户,欢迎你使用在线客服,客服识别车架号该车是别克昂科拉。你需要的资料在《畅易汽车维修技术支持平台》是有的,请直接登陆查询!查询方法:国内厂家 -> 上海别克-昂科拉GX-2020[ 维修手册/诊断 /电路图 ] ->第9章发动机/推进系统 ->发动机控制系统和燃油系统一1.35升(L3T L3Z) ->示意图和布线图 ->发动机控制示意图->3: 燃油控制系统-蒸发排放和设备控制2020年别克昂科拉蒸发排放系统电路图资料.


用户 chenchan ***其他客服问题:
  OBD针脚定义和车身电脑针脚定义.. 别克昂科雷2012-LLT[5GAKR7ED7C** ]
  发动机机械部位包括缸盖缸体正时链拆装图.. 宝马52016年-N20[LBV5S110XF** ]
  雨刮电机电路图.. 江淮iEV6E2018-纯电[LJ1EEKPN3J** ]
  仪表左下角保险丝盒电路图和发动机舱保险丝.. 东风英菲尼迪QX502015-VQ25[LGBW2DE42F** ]
  车身电脑插头定义图.. 别克昂科雷2009-LLT[5GAKR7ED7C** ]
  N20发动机喷油器电路图.. 宝马52014年-N20[LBV5S110XF** ]
以下是别克相关车型的客服问题,希望对您有帮助
 给我一个节气门电路图和电脑针脚图..别克 GL8 2008 LZC [LSGUD82C0A**]
 新君威无智能..别克新君威 2010 2.0
 英朗倒车灯电路图..别克英朗 11 2H0 [LSGPB54R5B**]
 起动机继电器电路图、位置图..别克英朗 2013-06 LDE [LSGPB54U8D**]
 车身模块线路图..别克君越 07 LE5
 10年别克君越汽油泵压力值多少..别克君越 10 le5
 进气格栅风门电路图 管脚定义 越详细越好 ..别克昂科旗 2021 LXH [LSGNR83L9M**]
 06年别克君越3.0 lzd 发动机 电路图..别克君越 06 lzd [LSGWV53C06**]
 自动空调电路图..别克君威 2010.4 LE5 [LSGGA53X7A**]
 04年04款别克凯越变速箱电路图..别克凯越/SGM612轿车 2004 T18SED(79) [LSGJV52P44**]
 保险盒继电器名称和保险丝位置名称..别克凯越 2014 L2B
 我需要一份变速箱的电路图..别克君越 07 LE5 [LSGWS52X77**]

Copyright @ 2009 www.car388.com All rights reserved. 蜀ICP备12014226号-2 增值电信增值业务许可证:川B2-20190647 服务电话:028-87038205 87039205 87020205 川公网安备 51010502010015号 公司地址:成都市龙泉驿区经开区南二路309号 鼎峰动力港 企业办公总部基地 12栋
2025-01-11.-.V25VHTML-2025-