[返回列表.]    [免费下载畅易手机版APP ]

用户 chenchan **当前提问:前大灯行车灯电路图

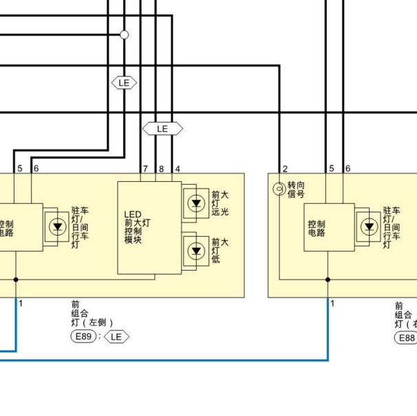
前大灯行车灯电路图

.尊敬的用户,欢迎你使用在线客服,你需要的资料在《畅易汽车维修技术支持平台》是有的,请直接登陆查询!查询方法:国内厂家 ->东风日产-轩逸(Sylphy)-新蓝鸟-2021-2022[ 线路图 ] ->L驾驶员控制装置 ->EXL 车外照明系统.2021-2022年日产轩逸前大灯行车灯电路图


用户 chenchan ***其他客服问题:
  网关位置.. 东风日产奇骏2018-MR20[LGBM4AE48J** ]
  变速器电路图.. 奔驰S3502008-272965[wddng56x08** ]
  燃油油位传感器电路图.. 奇瑞捷豹捷豹17年-CJL7203J105[L2CBB3BXOH** ]
  节气阀控制电路.. 上汽大通皮卡17年5月-SC28R136[LSFAM11A0H** ]
  主驾驶门模块控制左侧外后视镜电路图.. 福特锐界16年-CAF[LVSHFCAC3G** ]
  车内挂挡杆机构电路图.. 吉利GS2018-JLB_4G14T[LB37722Z7J** ]
以下是日产相关车型的客服问题,希望对您有帮助
 节气门电路图..日产逍客 2010 282576T [LGBL2AE09A**]
 右钛车,查下ABS系统 横摆率传感器安装位置..日产ELGRAND君爵 13 VQ35 [E51-300925**]
 天籁启停问题,已经问了3次,下载时直接打..日产天籁 20 MR20
 变速箱电脑端子图及电路图..尼桑轩逸 2019 1.6 [LGBH52E06L**]
 变速箱插头针脚定义..日产轩逸 2018 1 [LGBH52E09J**]
 11年轩逸转向灯电路图..日产日产轩逸 11年 hr16
 找不到座椅加热通风电路图..日产英菲尼迪 2010年 vq35 [jnkas15f5a**]
 气囊电路图,部件位置图..日产QX50 14 VQ25 [JNKDJ05EXE**]
 日产遥控钥匙ID代码设置..日产SUNNY(阳光) 全部年份 全系列 [全系列**]
 音响电路图和针灸图..日产汽车GT-R3.8T 双离合 Premium Edition 2012 VR38DETT(3.8) [JN1AR5EF1C**]
 天籁 ELECTRONIC PARTS保险 电路图..日产天籁 2008 2.3 [1**]
 英菲尼迪VQ37正时图..日产英菲尼迪 2010 VQ37 [JNKCV61E5A**]

Copyright @ 2009 www.car388.com All rights reserved. 蜀ICP备12014226号-2 增值电信增值业务许可证:川B2-20190647 服务电话:028-87038205 87039205 87020205 川公网安备 51010502010015号 公司地址:成都市龙泉驿区经开区南二路309号 鼎峰动力港 企业办公总部基地 12栋
2025-05-20.-.V28**VHTML-2025-V18-11-5---2-