[返回列表.]    [免费下载畅易手机版APP ]

用户 杨文20 **当前提问:奇瑞QQ发动机电路图 电脑是德尔福MT22.

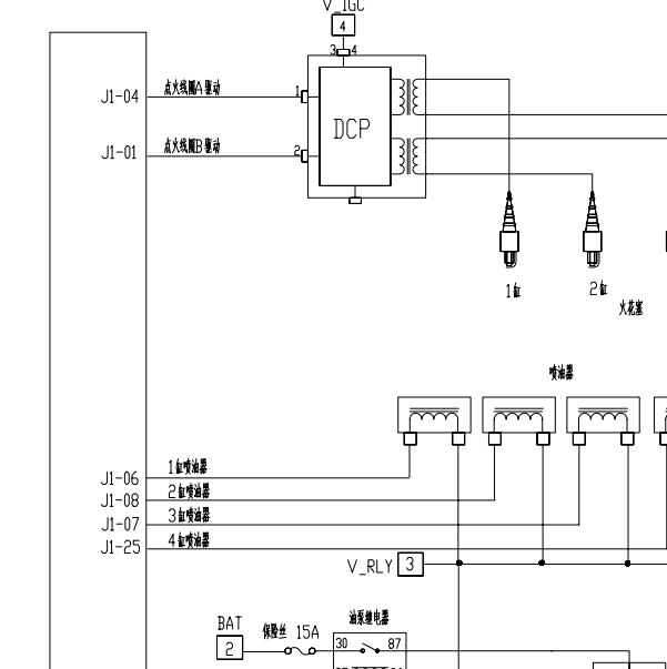
奇瑞QQ发动机电路图 电脑是德尔福MT22.1和平台的不一样

.尊敬的用户,欢迎你使用在线客服,你的问题客服人员已为你处理完毕,请下载附件,如有疑问,欢迎和我们联系!德尔福MT22.1发动机电路图.

附件:24052714355748.rar


用户 杨文20 ***其他客服问题:
  赛拉图发动机电路图和平台的不一样 电脑是94.. 起亚起亚2010-G4ED
  本田奥德赛发动机电路图 前保险盒定义图.. 1本田2007-K24A6
  路虎CAN线通信线路图.. 路虎路虎2009-428[SALSN23449** ]
  欧菲莱斯音响电路图.. 1112009-1
  标志206 发动机J34P电路图 .. 标志206标志20607年 -J34P
  唯雅诺倒车雷达线路图 和模块位置图.. 奔驰唯雅诺2008-唯雅诺[WD4WA58218** ]
以下是1相关车型的客服问题,希望对您有帮助
 前摄像头电路图.. 英菲尼迪 QX50 2020 KR20DDET [LGBW2PE48L**]
 倒车雷达不工作,倒车影像不工作,..英菲尼迪Qx70 2013 vq35 [Jnkas15f5b**]
 变速箱电脑电路图.这是8AT的变速箱..英菲尼迪QX50 2020 KR20 [LGBW2PE42L**]
 2017年奇瑞小蚂蚁全车电路图..1奇瑞小蚂蚁 2017 2103AAT [LVVDG17B1H**]
 弹出式杏仁保护引擎盖的工作原理和电路图..英菲尼迪Q70L 2014 20
 方向助力,方向锁的线路图..奥迪Q5 10年01月07日 CDA
 麻烦找一下颗粒捕捉器的位置和拆装..奥迪Q2 2022 DNFC [WAUZZZGA7N**]
 发动机电脑接线图和CAN通讯电路图..玛莎拉蒂Quattroporte [总裁]3.0T 手自一体 350Hp 标准版 2018 M156 D(3.0) [ZAMXP56E1J**]
 12年凯迪拉克电路图昨天可以看,今天怎么看..11 1 1 [1**]
 电路图..无限QX56 05 VK562643382 [5N3AA08C45**]
 英菲尼迪QX50 2.5L发动机点火线圈电路图..英菲尼迪QX50 2015 VQ25 [LGBW2DE40F**]
 找不到VCR电机转向角传感器线路图..英菲尼迪QX50 2020 KR20 [LGBW2PE45L**]

Copyright @ 2009 www.car388.com All rights reserved. 蜀ICP备12014226号-2 增值电信增值业务许可证:川B2-20190647 服务电话:028-87038205 87039205 87020205 川公网安备 51010502010015号 公司地址:成都市龙泉驿区经开区南二路309号 鼎峰动力港 企业办公总部基地 12栋
2025-05-20.-.V28**VHTML-2025-V18-11-5---2-