[返回列表.]    [免费下载畅易手机版APP ]

用户 13698120 **当前提问:2009年现代领翔尾门上的尾门开关电路

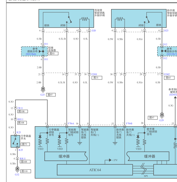
2009年现代领翔尾门上的尾门开关电路图,你之前发的那个是驾驶员门边的开关,不对

.尊敬的用户,欢迎你使用在线客服,你的问题客服人员已为你处理完毕,请下载附件,如有疑问,欢迎和我们联系!2009年现代领翔尾门开关电路图.

附件:99182715594723.rar


用户 13698120 ***其他客服问题:
  发动机电脑针脚定义.. 东风标致307两箱2010-N6A 10XA3A PSA
  16野马T70EV电池组型号E70BEV单节电池最高电压.. 野马T70EV2016-纯电
  06年标致206,启动控制线,起动机到保险盒的.. 标致2062006-n6A
  15长安之星9转向灯电路图.. 长安之星92015-4G15
以下是现代相关车型的客服问题,希望对您有帮助
 09年圣达菲仪表指针不动,怎么查问题..现代圣达菲 2009年 空 [空**]
 启动电路图..现代劳恩斯酷派 09 G4KF [KMHHT61D0A**]
 现代新胜达正时链条及平衡轴安装图..现代新胜达 2011 G4KE [KMHSH81B7B**]
 空调部分电路图..现代胜达 2006 G6EA7902834 [KMHSH81D37**]
 车身模块控制电路图,最好是中文..现代维拉克斯 2010年 G6DA [KMHNU81C9B**]
 12年进口胜达方向盘加热电路图以及控制模块..现代胜达 2012 00 [KMHSH81B8C**]
 圣达菲防盗系统电路图..现代圣达菲 2007 20 [LRH14B1B57**]
 油泵油壶电路图..现代胜达 2007 G6EA2,7L
 大灯控制线路图..现代汽车雅尊 2011.10 G4KE [KMHFG41B9C**]
 2008年途胜仪表针脚图..现代途胜 2008 2.0 [LJALJFLDFJ**]
 油票到仪表电路图..现代瑞纳 17· 1.4
 发动机及变速箱电路图,及电脑板端子说明..现代i10 2013 1.2 [MALAN51CBD**]

Copyright @ 2009 www.car388.com All rights reserved. 蜀ICP备12014226号-2 增值电信增值业务许可证:川B2-20190647 服务电话:028-87038205 87039205 87020205 川公网安备 51010502010015号 公司地址:成都市龙泉驿区经开区南二路309号 鼎峰动力港 企业办公总部基地 12栋
2025-05-20.-.V28**VHTML-2025-V18-11-5---2-