[返回列表.]    [免费下载畅易手机版APP ]

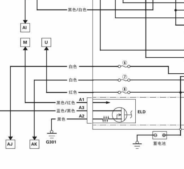
用户 海东 **当前提问:ELD的电路图,平台上的那个没对上,7

ELD的电路图,平台上的那个没对上,7号脚实车是空脚的

.尊敬的用户,欢迎你使用在线客服,客服处理了该车11年7号是空脚的ELD电路图参考,你的问题客服人员已为你处理完毕,请下载附件,如有疑问,欢迎和我们联系!2011年本田雅阁 ELD电路图.

附件:68691667877220.zip


用户 海东 ***其他客服问题:
  这些插头能帮我查到两端都到哪儿吗.. 路虎汽车Range Rover Velar [揽胜星脉]2.0T 手自一体 P300 R-DYNAMIC S2018-PT204(2.0)[SALYA2BX6J** ]
  J519电路图.. 大众汽车Touareg [途锐]3.0TDI 自动 V6柴油顶配型2009-CAS(3.0)[WVGA267L7A** ]
  帮我找一下发动机冷却液温度传感器2 增压.. 大众高尔夫2011.05.30-cdlc[wvwr261k2b** ]
  氧传感器电路图.. 金杯阁瑞斯10-2tr
  帮我查下防碰撞电脑电路图.. 奔驰E 300 L2020-264 920[LE4ZG8DB2L** ]
以下是广汽本田相关车型的客服问题,希望对您有帮助
 14年9代雅阁,发动机控制系统里面的网络通信..广汽本田雅阁 2014 K24W5 [LHGCR2664E**]
 07奥德赛喇叭电路图 平台的对不上..广汽本田奥德赛 07 - [LHGRB18817**]
 02年雅阁 电动车窗电路图..广汽本田雅阁 2002 f23a3
 转向角传感器线路图..广汽本田冠道 2018 L15BD [LHGT1833J8**]
 发动机电脑、车身电脑、ABS泵电脑插头针脚定..广汽本田缤智1.8 无级 两驱先锋型 2017 R18Z7(1.8) [LHGRU5842H**]
 启停功能学习流程..广汽本田奥德赛2.4 无级 豪华版 2015 K24W5(2.4) [LHGRC383XF**]
 这车的后空调电路图..广汽本田奥德赛2.4 手自一体 普通版 2007 K24A6(2.4) [LHGRB185X7**]
 2021年的本田皓影水阀电动电位计的位置图..广汽本田皓影 2021 LFB11 [LHGRY3888M**]
 空调电路图..广汽本田雅阁 2013 R20A3 [LHGCP164XD**]
 帮忙找一下升降器的电路图 管脚定义 主门升..广汽本田思迪 2008 L15A1 [LHGGD86488**]
 电脑针脚定义,点火线圈线路图..广汽本田奥德赛2.4 自动 领秀版 2009 K24Z2(2.4) [LHGRB3807A**]
 右前日行灯和雷达的插头定义..广汽本田第九代雅阁2.4 无级 智睿版 2016 K24W5(2.4) [LHGCR263XG**]

Copyright @ 2009 www.car388.com All rights reserved. 蜀ICP备12014226号-2 增值电信增值业务许可证:川B2-20190647 服务电话:028-87038205 87039205 87020205 川公网安备 51010502010015号 公司地址:成都市龙泉驿区经开区南二路309号 鼎峰动力港 企业办公总部基地 12栋
2025-05-11.-.V28**