[返回列表.]    [免费下载畅易手机版APP ]

用户 13561896 **当前提问:比亚迪M6发动机电脑针脚图

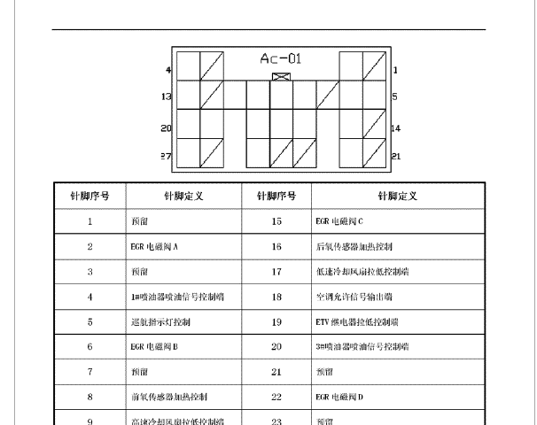
比亚迪M6发动机电脑针脚图

.尊敬的用户,欢迎你使用在线客服,你的问题客服人员已为你处理完毕,请下载附件,如有疑问,欢迎和我们联系!2011年比亚迪M6发动机电脑针脚资料.

附件:46462718121446.zip

非常好


用户 13561896 ***其他客服问题:
  电子方向机维修资料.. 克莱斯勒道奇公羊2015-5.7
  轩逸经典鼓风机电路图.. 东风日产轩逸经典2008-HR16[LGBH12E028** ]
  铃木吉姆尼发动机维修资料 正时安装资料.. 铃木吉普2013.03-M13A[JS3JB43V5D** ]
  吉姆尼四驱资料.. 铃木越野2012.07-M13A[JS3JB43V9C** ]
  铃木利亚纳发动机防盗线路图.. 铃木利亚纳2014-K14B-G[LVFAC5AD1E** ]
  五十铃正时安装图.. 江西五十铃皮卡2017.10-4K21D[LETED3E16H** ]
以下是比亚迪相关车型的客服问题,希望对您有帮助
 泊车系统,维修资料?s..比亚迪速锐 2012
 amt变速箱资料..比亚迪f0 20140521 114012180 [lc0c24da6e**]
 速锐车身电路图..比亚迪BYD7150W8 2015.06 BYD473QE [LGXC16CF7F**]
 电路图,维修资料,,混动..比亚迪唐 2016 BYD487ZQA
 12年比亚迪G6 F2/3保险电路图..比亚迪G6 2012 BYD476ZQA [LGXCG6CF6C**]
 比亚迪F6全图车电路..比亚迪QCJ7180E 2011 BYD483QA [LGXC16DG7B**]
 前雾灯电路图..比亚迪F6 2010 4G69S4M [LGXC36DG0A**]
 宋PRO混动 气囊 B158513 B159913 B159A13 故障码含义..比亚迪宋PRO 20 BYD476ZQB [LGXCD4D47K**]
 2015-2016年比亚迪速锐维修手册SS..比亚迪速锐 2015/2016 . [.**]
 低压12V充电系统电路图..比亚迪唐新能源 2019 无 [LC0CD4C42L**]
 发动机电脑板针脚图定义..比亚迪比亚迪F6 2010 4G69S4M [LGXC36DG0A**]
 全车电路图..比亚迪速锐 2013 473QE [LGXC16CF2D**]

Copyright @ 2009 www.car388.com All rights reserved. 蜀ICP备12014226号-2 增值电信增值业务许可证:川B2-20190647 服务电话:028-87038205 87039205 87020205 川公网安备 51010502010015号 公司地址:成都市龙泉驿区经开区南二路309号 鼎峰动力港 企业办公总部基地 12栋
2025-05-11.-.V28**