[返回列表.]    [免费下载畅易手机版APP ]

用户 CYAUTO04 **当前提问:請給我2012 HONDA CIVIC 1800 冷氣壓縮機繼

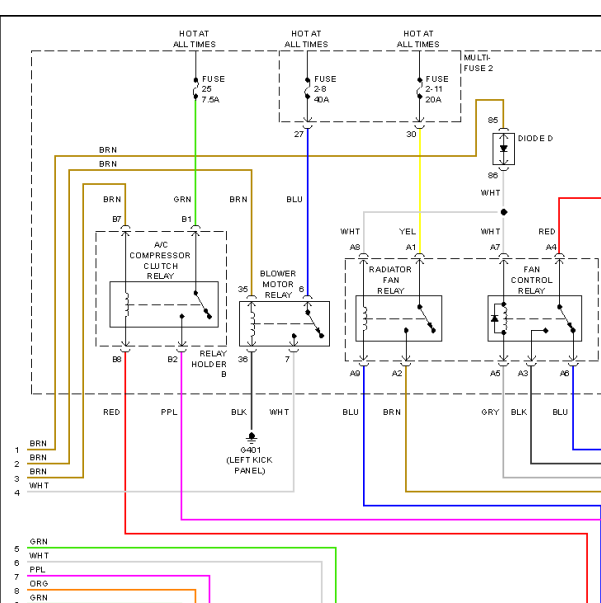
請給我2012 HONDA CIVIC 1800 冷氣壓縮機繼電器位置圖跟線路圖

.尊敬的用户,欢迎你使用在线客服,你的问题客服人员已为你处理完毕,请下载附件,如有疑问,欢迎和我们联系!2012年本田思域空调压缩机继电器电路图.

附件:47932719193921.rar


用户 CYAUTO04 ***其他客服问题:
test:
  你好我想要2016-17 東南三菱君閣的啟動馬達繼.. 東南三菱君閣2016-汽油
  2017年 東南汽車三菱君閣 冷氣線路圖.. 東南汽車 三菱君閣2017-汽油
  2017 BENZ GLE 日行燈線路圖 .. BENZGLE2017-汽油
以下是本田相关车型的客服问题,希望对您有帮助
 发动机电脑版内部图..本田思域 10年 R18A1 [LVHFA1530B**]
 发动机电脑板针脚定义..本田 雅阁 2006 K24A8 [LHGCM56856**]
 本田变速箱报P0970压力电磁阀 C 控制电路电压..本田INSIGHT 2010 LDA MF6 [ZE2 118739**]
 思铂睿打铁点的位置。..本田思铂睿 2017 LFA11 [LVHCU76241**]
 网络拓扑图,我想知道模块位置图跟网络拓扑..本田雅阁 2022 1 [LHGCV1663M**]
 本田发动机电脑针脚图和电路图..本田凌派 201811 P10A3 [LHGFS1630K**]
 雅阁九代维修手册..本田雅阁 2014 不
 空调压力开关线路图 ..本田奥德赛 2009 K24Z2 [LHGRB380XA**]
 网关和CAN线的电路图..本田 奥德赛 2022 LFB11 [LHGRC4855R**]
 仪表端子的线路图..本田雅阁2.4 2003.06 k24A4 [LHGCM56623**]
 19年crv所有继电器定义..本田CRV 19 1.5T
 给我找下,风扇电路图 03SS..本田思域 2008 R18A1

Copyright @ 2009 www.car388.com All rights reserved. 蜀ICP备12014226号-2 增值电信增值业务许可证:川B2-20190647 服务电话:028-87038205 87039205 87020205 川公网安备 51010502010015号 公司地址:成都市龙泉驿区经开区南二路309号 鼎峰动力港 企业办公总部基地 12栋
2025-04-12.-.V25