[返回列表.]    [免费下载畅易手机版APP ]

用户 13670424 **当前提问:麻烦再找下车速传感器位置和电路图

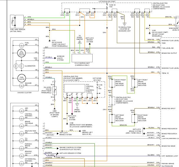
麻烦再找下车速传感器位置和电路图

.尊敬的用户,欢迎你使用在线客服,抱歉该车91年没有车速传感器资料,且相近年款只有电路图没有位置资料,客服处理了该车93年电路图参考,你的问题客服人员已为你处理完毕,请下载附件,如有疑问,欢迎和我们联系!.1993年保时捷911车速传感器电路图

附件:56232719622989.zip


用户 13670424 ***其他客服问题:
test:
  帮忙找找看有没有这个海外版本的撼路者的维.. 福特ranger撼路者2012-3.2 5缸[AFAPXXMJ2P** ]
  麻烦找一下前差速器的加油口.. 奔驰S4502019-276824[WDDUG6EB9K** ]
  找一下后雨刮的结构图和电路图.. 沃尔沃XC902005-B6294T[YV1CZ91466** ]
  2021年路虎星脉发动机变速箱底盘维修手册.. 路虎星脉2021-PT306[SALYA2BU7M** ]
  19年S3底盘维修手册.. 奥迪S32019-DJH[WAUBFJ8V9K** ]
以下是保时捷相关车型的客服问题,希望对您有帮助
 保时捷卡宴天窗电路图..保时捷卡宴 2007 M55/01 [WP1AA29PX8**]
 保时捷卡曼变速箱拆卸步骤..保时捷卡曼 09年11 MA120C [WP0AA298XC**]
 左后温度混合活门电机位置图..保时捷帕拉梅拉 2017 DGP [WP0CE2971L**]
 防盗系统电路图..保时捷boxster 2001 M96/21 [WP0ZZZ98Z2**]
 分动箱维修手册..保时捷Macan 2017 CYP [WP1AA2954J**]
 卡宴CAN线走向。..保时捷卡宴 08 M48
 请提供此车的节温器拆装资料..保时捷卡晏 2011 V8 [WP1AB2927B**]
 保时捷 卡雷拉911/S 轮胎压力检测系统元件位..保时捷卡雷拉911/S 2013 MA104 V [WP0AA2991E**]
 保时捷987的资料怎么没有 我要水箱排空的资..保时捷987 2007 不知道
 空调电机的维修手册..保时捷帕拉梅拉 2010 M4620V [WP0AA2970C**]
 保时捷卡宴喇叭继电器在哪多少号..保时捷卡宴 12 V8
 保时捷卡宴前传动轴怎么拆?..保时捷卡宴卡宴s 2011 M4802v [WP1AB292XB**]

Copyright @ 2009 www.car388.com All rights reserved. 蜀ICP备12014226号-2 增值电信增值业务许可证:川B2-20190647 服务电话:028-87038205 87039205 87020205 川公网安备 51010502010015号 公司地址:成都市龙泉驿区经开区南二路309号 鼎峰动力港 企业办公总部基地 12栋
2025-04-05.-.V25