[返回列表.]    [免费下载畅易手机版APP ]

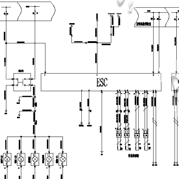
用户 18638906 **当前提问:手刹模块电路图

手刹模块电路图

.尊敬的用户,欢迎你使用在线客服,你的问题客服人员已为你处理完毕,请下载附件,如有疑问,欢迎和我们联系!.2019年欧尚科赛 手刹电路图

附件:35521696356836.rar


用户 18638906 ***其他客服问题:
test:
  04年普拉多升降器开关针脚定义.. 1普拉多04-1[1** ]
  燃油泵继电器位置图.. 东风本田杰德1.8 自动 EXi 舒适精英版5座2014-R18Z6(1.8)[LVHFR1812E** ]
  三合一 模块 低压高压电路图.. 风行S50EV21年-1[LMXF17BF2N** ]
  雨刷电路图.. 沃尔沃亚太S902.0T 手自一体 T5 智逸版2019-B4204T23(2.0)[LVYPD10A1K** ]
  发电机电路图.. LSGKB541XNV020838科鲁兹22-1[LSGKB541XN** ]
  发动机维修扭矩.. 进口普拉多普拉多1-5VZFE[VZJ95-0039** ]
以下是欧尚相关车型的客服问题,希望对您有帮助
 尾门感应天线,4线的,脚踢感应传感器..欧尚科赛 2018 JL476ZQCF [LS4ASE2E9J**]
 OBD电路图 CAN电路图..欧尚 科赛COS1“ 2018 JL476ZQCF [LS4ASE2E0J**]
 电子加热器针脚信息..欧尚Z6 2023 1 [LS6C3E154P**]
 欧尚a600ev的VCU电路图..欧尚a600ev 2019 . [LS6C3E0C5K**]
 网关电路图..欧尚科赛COS1 2018 JL476ZQCF [LS4ASE2E0J**]
 启动线路图,Ig1ig2线路图,发我qq邮箱1391506058..欧尚X7 2020 JL476ZQCF [LS4ASE2E3L**]
 射频天线线路图..欧尚X7 PLUS 2022 JL473ZQ7 [LS4ASE2E6M**]
 帮忙找一下雨刮器电路图..欧尚A600 2019 DAM15B [LS4ASM2E0K**]
 自动变速箱电路图 ..欧尚X5 2021 JL478QEP [LS5A3DFE1M**]
 网络电路图 ..欧尚X7 PLUS 2022 JL473ZQ7 [LS4ASE2E0P**]
 遮阳板线路图。..欧尚科赛 2018 JL476ZQCF [LS4ASE2E8J**]
 欧尚X70A没有那个车窗线路图吗..欧尚X70A 2018 暂无 [暂无**]

Copyright @ 2009 www.car388.com All rights reserved. 蜀ICP备12014226号-2 增值电信增值业务许可证:川B2-20190647 服务电话:028-87038205 87039205 87020205 川公网安备 51010502010015号 公司地址:成都市龙泉驿区经开区南二路309号 鼎峰动力港 企业办公总部基地 12栋
2025-04-04.-.V25