[返回列表.]    [免费下载畅易手机版APP ]

用户 济南 **当前提问:仪表电路图

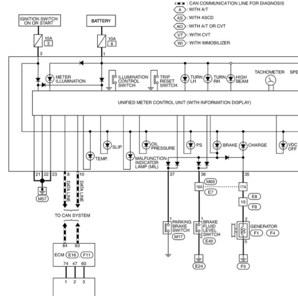
仪表电路图

.尊敬的用户,欢迎你使用在线客服,你的问题客服人员已为你处理完毕,请下载附件,如有疑问,欢迎和我们联系!.2017年日产骐达仪表电路图

附件:34982725429877.rar


用户 济南 ***其他客服问题:
  电动车窗系统电路图.. 东风日产SYLPHY2021年9月份-HR16[LGBH92E05M** ]
  帕萨特B4 38针发动机电脑针脚图.. 德国大众帕萨特B41997-2.0
  全车电路图及模块位置图.. 一汽丰田陆地巡洋舰2005年8月-1FZ[LFBRF67855** ]
  手动空调电路图.. 一汽奔腾B5013年-BWH[LFP83ACC0D** ]
  发动机控制模块线路图.. 雷诺梅甘娜二代2003-F4R[VF1LMREB86** ]
  变速箱及发动机电路图.. 丰田卡罗拉2017年07月-9NR[LFMAY86C6H** ]
以下是东风日产相关车型的客服问题,希望对您有帮助
 05年日产阳光发动机控制电路图..东风日产阳光 05年 SR20 [LGBE1AE015**]
 14年日产逍客远光灯电路图..东风日产逍客 2014 HR16 [LGBL22E27E**]
 英菲尼迪G25 09了年防盗电路图..东风日产dfl7250vec 09 qr25
 手动空调电路图..东风日产骊威 08 1.6 [LGBK22E768**]
 空调鼓风机电路图..东风日产轩逸 2010 HR16 [LGBH12E21A**]
 新奇骏发动机电路图及维修手册..东风日产奇骏 2021.8 KR15 [LGBM2ME46M**]
 有没有轩逸2.0无极变速箱电路图及维修资料...东风日产轩逸 2010 MR20 [LGBH1AE03A**]
 12年骐达MR16 涡轮增压缸内直喷发动机电路图..东风日产骐达二厢 12.01 MR16缸内直喷发动机 [LGBG2NE06C**]
 冷气线路..东风日产轩逸 2007 HR16DE [LGBH12E027**]
 发动机控制线路图..东风日产骊威 08 HR16 [LGBK22E738**]
 发动机电脑针脚图带颜色的..东风日产轩逸 2014 1.6 [LGBH12E06E**]
 预热部分电路图..东风日产皮卡皮卡 2013 ZD25TCR [LJNTGUBX9D**]

Copyright @ 2009 www.car388.com All rights reserved. 蜀ICP备12014226号-2 增值电信增值业务许可证:川B2-20190647 服务电话:028-87038205 87039205 87020205 川公网安备 51010502010015号 公司地址:成都市龙泉驿区经开区南二路309号 鼎峰动力港 企业办公总部基地 12栋
2025-04-23.-.V25