[返回列表.]    [免费下载畅易手机版APP ]

用户 13733640 **当前提问:后尾门开关线路图

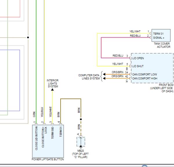
后尾门开关线路图

.尊敬的用户,欢迎你使用在线客服,你的问题客服人员已为你处理完毕,请下载附件,如有疑问,欢迎和我们联系!.2014年保时捷Panamera 尾门开关电路图

附件:45672727384570.zip


用户 13733640 ***其他客服问题:
test:
  发动机控制主动格栅风门电路图.. 别克君越18-LTG[LSGZJ5AL7J** ]
  转向锁电路图.. 别克君越2018-LTG[LSGZJ53L0J** ]
  遥控接收器位置.. 长城H62014-GW4G15B[LGWEF4A51E** ]
  发动机电脑无法通讯.. 中国上海通用东岳汽车有限制造别克昂科拉2013年-LFF[LSGJB84J1E** ]
  发动机系统电路图.. 三菱三菱2005-4G64S4M[LDNL9STJS3** ]
  陆风X5PLUS手刹模块电路图.. 江铃牌X5PLUS17年6月份-4A91T[LVXCAHBAOH** ]
以下是保时捷汽车相关车型的客服问题,希望对您有帮助
 发电机大保险丝位置,发电机起动机电路图..保时捷汽车Cayenne [卡宴]3.0T 手自一体 2015 CJT(3.0) [WP1AG2924E**]
 帮我找一下 胎压电脑 acc自适应巡航电脑 还..保时捷汽车Carrera3.0T 双离合 2020 DKC(3.0) [WP0AA2997M**]
 座椅加热电路图,加热模块电路图..保时捷汽车Cayenne [卡宴]3.0T 手自一体 2012 CJT(3.0) [WP1AG2928C**]
 高位刹车灯怎么拆..保时捷汽车Cayenne [卡宴]3.0T 手自一体 2012 CJT(3.0) [WP1AG2920C**]
 无钥匙进入系统的控制单元安装位置及电路图..保时捷汽车Cayenne [卡宴]3.2 手自一体 2006 BFD(M022Y)(3.2) [WP1AA29P86**]
 前部雷达探头拆装..保时捷汽车Cayenne [卡宴]3.0T 手自一体 2011 M06ECC(3.0) [WP1AG2924B**]
 分离离合器执行器..保时捷汽车Cayenne S Hybrid [卡宴 S 油电混合]3.0T 手自一体 2011 CGE(3.0) [WP1AE2925D**]
 进网许可模块位置,..保时捷汽车Panamera [帕纳美拉]2.9T 双离合 2019 CSZ(2.9) [WP0AJ2977L**]
 查询空气悬打气泵继电器位置..保时捷汽车Cayenne E-Hybrid [卡宴 油电混合]2.0T 手自一体 2019 DFK(2.0) [WP1AJ29Y4K**]
 查一下这个保时捷的这个的火的顺序和喷油嘴..保时捷汽车Cayenne [卡宴]3.6 手自一体 美规版 2014 M5502(3.6) [WP1AA2A2XE**]
 分动箱维修手册..保时捷汽车Macan2.0T 双离合 2014 CNC(2.0) [WP1AA2953F**]
 ABS泵拆装,ABS针脚定义,ABS电路图,点烟器电..保时捷汽车Cayenne E-Hybrid [卡宴 油电混合]2.0T 手自一体 2019 DFK(2.0) [WP1AJ29Y5K**]

Copyright @ 2009 www.car388.com All rights reserved. 蜀ICP备12014226号-2 增值电信增值业务许可证:川B2-20190647 服务电话:028-87038205 87039205 87020205 川公网安备 51010502010015号 公司地址:成都市龙泉驿区经开区南二路309号 鼎峰动力港 企业办公总部基地 12栋
2025-04-05.-.V25