[返回列表.]    [免费下载畅易手机版APP ]

用户 18221303 **当前提问:方向机电池阀线路图

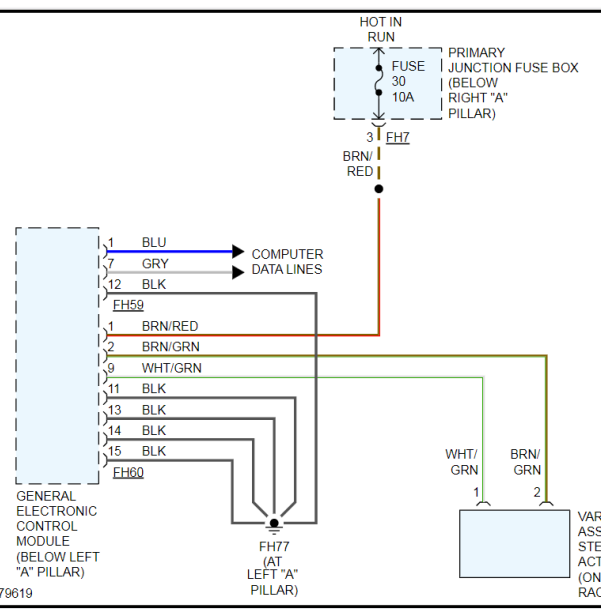
方向机电池阀线路图

.尊敬的用户,欢迎你使用在线客服,你的问题客服人员已为你处理完毕,请下载附件,如有疑问,欢迎和我们联系!2004年捷豹S-TYPE转向系统电路图.

附件:18462732389129.rar


用户 18221303 ***其他客服问题:
test:
  电子助力泵 线路图.. 保时捷汽车Cayenne Hybrid [卡宴 油电混合]3.0T 手自一体 美规2010-CGFA(3.0)[WP1AE2A29C** ]
  发动机维修资料.. 玛莎拉蒂Quattroporte [总裁]3.8T 手自一体2013-M156 A(3.8)[ZAMPP56E3E** ]
  仪表供电的线路图.. 起亚狮跑2009-1[LJDFAA1459** ]
  空气悬挂电脑安装位置.. 宾利欧陆GT13-TJK[Scbgh23w8d** ]
   大瓦螺丝 连杆螺丝 缸盖螺丝扭矩.. 路虎汽车Range Rover Sport [揽胜运动版]3.0T 手自一体 V6 SC HSE2014-306PS(3.0)[SALWA2VFXE** ]
  凸轮瓦架螺丝 正时齿轮 缸盖螺丝扭矩.. 保时捷帕纳梅拉18-CXT[WP0BA2975J** ]
以下是捷豹相关车型的客服问题,希望对您有帮助
 副驾驶中央保险丝盒保险丝说明定义..捷豹XF 2011 FG [SAJAA06H9C**]
 保养灯怎么归零?..捷豹XF 2012 040912010752204PT [SAJAA05M8D**]
 燃油泵线路图..捷豹S-Type 2004 FG [SAJAA01BX5**]
 需要发动机曲轴大瓦扭矩..捷豹捷豹XF 2014 306PS [SAJAA0581D**]
 气囊电脑版线路图及针脚定义..捷豹F-PACE/X761 2016 AJ813164 [SADCB2BG6H**]
 小灯线路图..捷豹XJ 2015 KKKK [SAJAA2085F**]
 捷豹 XF 2013款 发动机:306PS 机油加注量的维修..捷豹XF 2013 306PS
 急需捷豹XF发动机正时?S..捷豹XF 2008 FG
 四轮定位数据..捷豹XJ8 2004年 4.2 [SAJAA72F64**]
 14年捷豹XF 转向柱锁电路图!..捷豹XF 14 0000 [SAJAA05M2E**]
 音响主机线路图..捷豹F-PACE 17年 204PT [SADCB2BG2H**]
 1998年 捷豹XJ6 L6 4.0 ACC电门 继电器位置在哪..捷豹XJ6 1998 L6 4.0

Copyright @ 2009 www.car388.com All rights reserved. 蜀ICP备12014226号-2 增值电信增值业务许可证:川B2-20190647 服务电话:028-87038205 87039205 87020205 川公网安备 51010502010015号 公司地址:成都市龙泉驿区经开区南二路309号 鼎峰动力港 企业办公总部基地 12栋
2025-04-13.-.V25