[返回列表.]    [免费下载畅易手机版APP ]

用户 王利 **当前提问:奇瑞QQ3,S11发动机线路图

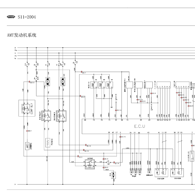
奇瑞QQ3,S11发动机线路图

.尊敬的用户,欢迎你使用在线客服,你的问题客服人员已为你处理完毕,请下载附件,如有疑问,欢迎和我们联系!04年QQ3发动机电路.

附件:9533273671767.rar

这个图不对,这车不是电子油门,你给我发的是电子油门的

用户您好,请您提交具体的发动机型号及电控系统,谢谢。


用户 王利 ***其他客服问题:
  你好,帮我找一个13年帕萨特发动机阵脚图94+6.. 上海大众自动挡一键启动SVW71810HJ2013.04-CEA[LSVCH2A4XD** ]
  这车不是智能卡是钥匙的手动变速箱。昨天给.. 东风标致301DC7E3116426201406-84KW[LDC633T27E** ]
  大灯,车身电脑,大灯开关线路图.. 克莱斯勒贝尔维德工厂指南者1C4NJCCA2012年-CD600735[1C4NJCCA2C** ]
  J393引脚定义.. 大众途锐08-
  仪表引脚定义.. 北京现代伊蓝特08-
  保养归零.. 荣威350荣威-
以下是奇瑞相关车型的客服问题,希望对您有帮助
 瑞虎:发动线线路图:电脑版81脚:博世ME797..奇瑞瑞虎 2006 1.6升(不带蜗轮) [2006**]
 发动机维修手册01SS..奇瑞汽车瑞虎5 2014 2.0L CVT SQR484F [LVTDB24B5E**]
 全车电路图..奇瑞QQ6 2009年7月 SQR472F [LVVDC12A49**]
 空调系统电路图主要是冷热风门电机的,176623..奇瑞汽车X70M1.5T 手动 伙伴型(改款) 2020 SQRE4T15C(1.5) [LVUDB11B3L**]
 这车变速箱电脑端子图..奇瑞凯翼C3 2015 1 [LVVDC21B1G**]
 2011年奇瑞旗云2的室内保险盒表识..奇瑞奇瑞2 2011 欲哭玉米 [就**]
 旗云3维修手册及线路图..奇瑞旗云3 2010 000000 [LVVDC11B5A**]
 我需要abs电路图..奇瑞A1 2013 SQR71F [LVVDC12A1D**]
 你好,这个车全车保险盒图解,继电器位置图..奇瑞 瑞虎 2009 SQR481F [LVVDB11B3A**]
 怎么没有奇瑞A516这款车?..奇瑞A516 2007 0000 [00000**]
 10年奇瑞旗云3空调线路图..奇瑞旗云3 10 000000 [LVVDC11B1A**]
 麻烦发一份11年风云2的ABS泵38针的针脚定义图..奇瑞风云2 11年 SQR477F [LVVDB11B4B**]

Copyright @ 2009 www.car388.com All rights reserved. 蜀ICP备12014226号-2 增值电信增值业务许可证:川B2-20190647 服务电话:028-87038205 87039205 87020205 川公网安备 51010502010015号 公司地址:成都市龙泉驿区经开区南二路309号 鼎峰动力港 企业办公总部基地 12栋
1.-.V25VHTML-2025-