[返回列表.]    [免费下载畅易手机版APP ]

用户 贾百 **当前提问:17年别克GL8ES 主驾驶无钥匙进入把手电

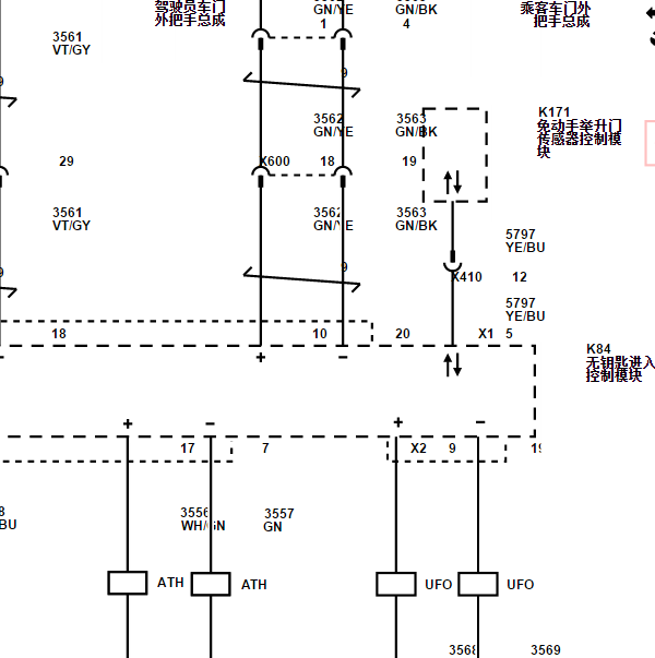
17年别克GL8ES 主驾驶无钥匙进入把手电路图

无钥匙进入系统电路图

.尊敬的用户,欢迎你使用在线客服,你的问题客服人员已为你处理完毕,请下载附件,如有疑问,欢迎和我们联系!2017年别克GL8ES 无钥匙进入系统电路图.

附件:24892737132198.rar


用户 贾百 ***其他客服问题:
test:
  麻烦给找一下长安沃尔沃发动机电脑的CAN通讯.. 沃尔沃S4011-1.8
  车身电脑插头定端子定义 安装位置.. 福特翼搏2016年2月-CAF479Q0[LVSHKADL0G** ]
  东风风光330发动机电脑电路图 主继电器 供电.. 东风风光3302014年12月-DK15-01[LVZA43F99E** ]
  五十铃铃拓水温传感器安装位置.. 五十铃铃拓2020年-JE4D25Q6A[LET EDDG18** ]
  长城H6 自动都市版仪表电路图 网关电路图 网.. 长城H62022年9月-GW4G15F[LGWEF4A5XN** ]
  倒车雷达模块 蜂鸣器位置图.. 英菲尼迪Q5015年5月-274A[LGBW1PE08F** ]
以下是别克相关车型的客服问题,希望对您有帮助
 帮我查一下这个车的冷热风 伺服电机 调节电..别克 GL8 2017 LTG [LSGUL83L1H**]
 08年别克凯越手动挡发动机电脑针脚图 81针..别克凯越 2008 1.6 [LSGJS62U58**]
 年后麻烦帮我找一下别克君威的倒车雷达模块..别克君威 10-11 2.0 [LSGGA53Y1B**]
 别克君越变速箱线路图..别克君越 2016 12 163543257 [lsgzj5357h**]
 左前门门锁马达电路图和右前门门锁马达电路..别克君越 2017 LTG [LSGZJ5AL8J**]
 发动机电脑针脚图..别克GL8 2006 LZC [LSGUD82CXA**]
 帮我查一下11年君威的波箱滤网在那 03SS..别克君威别克君威 2011 00
 你好;请帮忙发车身稳定控制系统和气囊电路..别克新君威 09 SADCA
 别克英朗四个油头都不喷油,油泵正常,油头..别克英朗别克英朗1.6手动 2011 0 [0**]
 变速箱针电脑角定义..别克英朗 2018年1月 LJI [LSGKE54A7J**]
 机仓保险合的主继电器位置..别克威朗 2019 LFV
 高压发电机线路图..别克君越 11年5月 LUK [LSGGF53G7B**]

Copyright @ 2009 www.car388.com All rights reserved. 蜀ICP备12014226号-2 增值电信增值业务许可证:川B2-20190647 服务电话:028-87038205 87039205 87020205 川公网安备 51010502010015号 公司地址:成都市龙泉驿区经开区南二路309号 鼎峰动力港 企业办公总部基地 12栋
2025-04-04.-.V25